< img height="1" width="1" style="display:none" src="https://www.facebook.com/tr?id=778179321215791&ev=PageView&noscript=1" />
Products
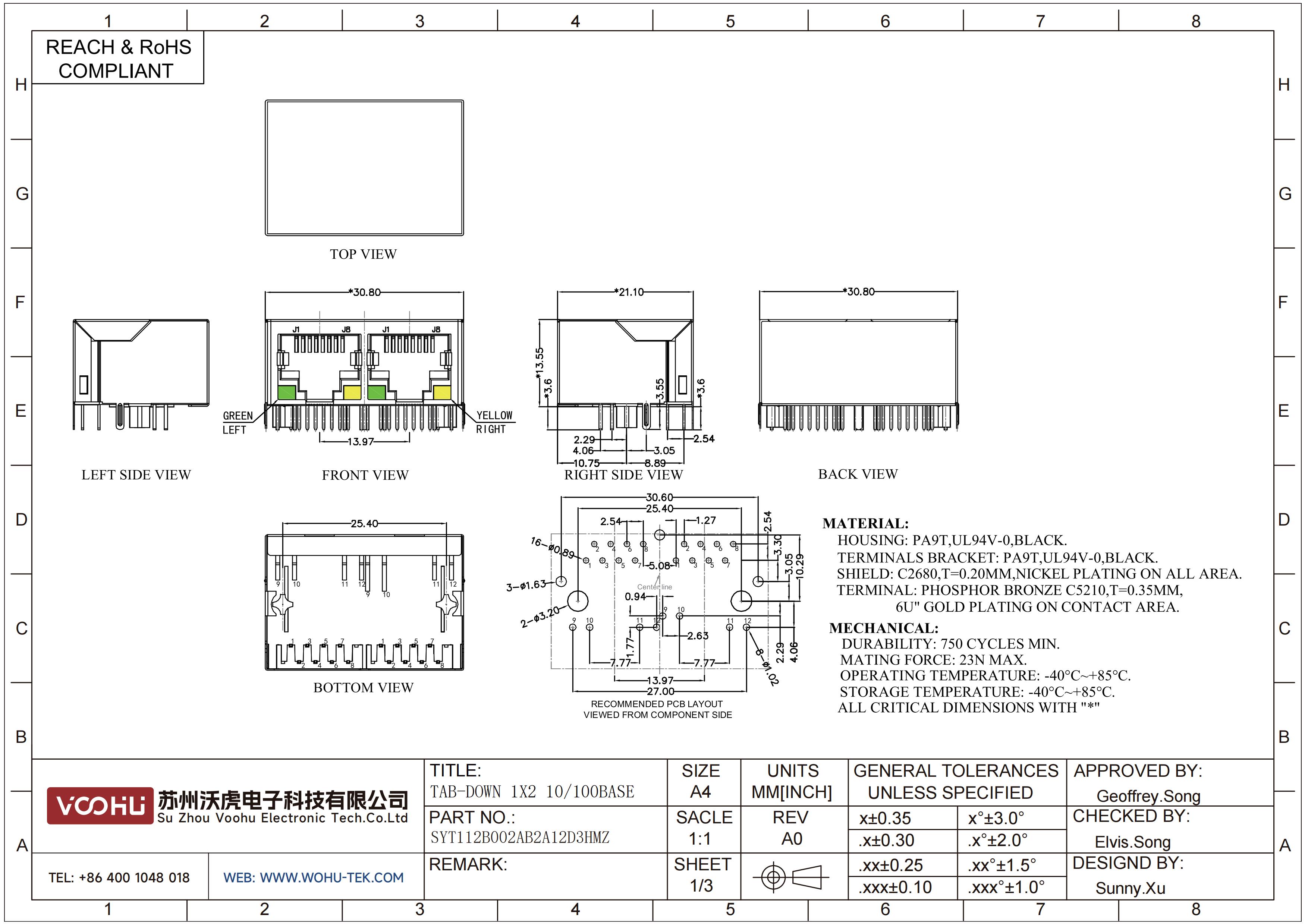
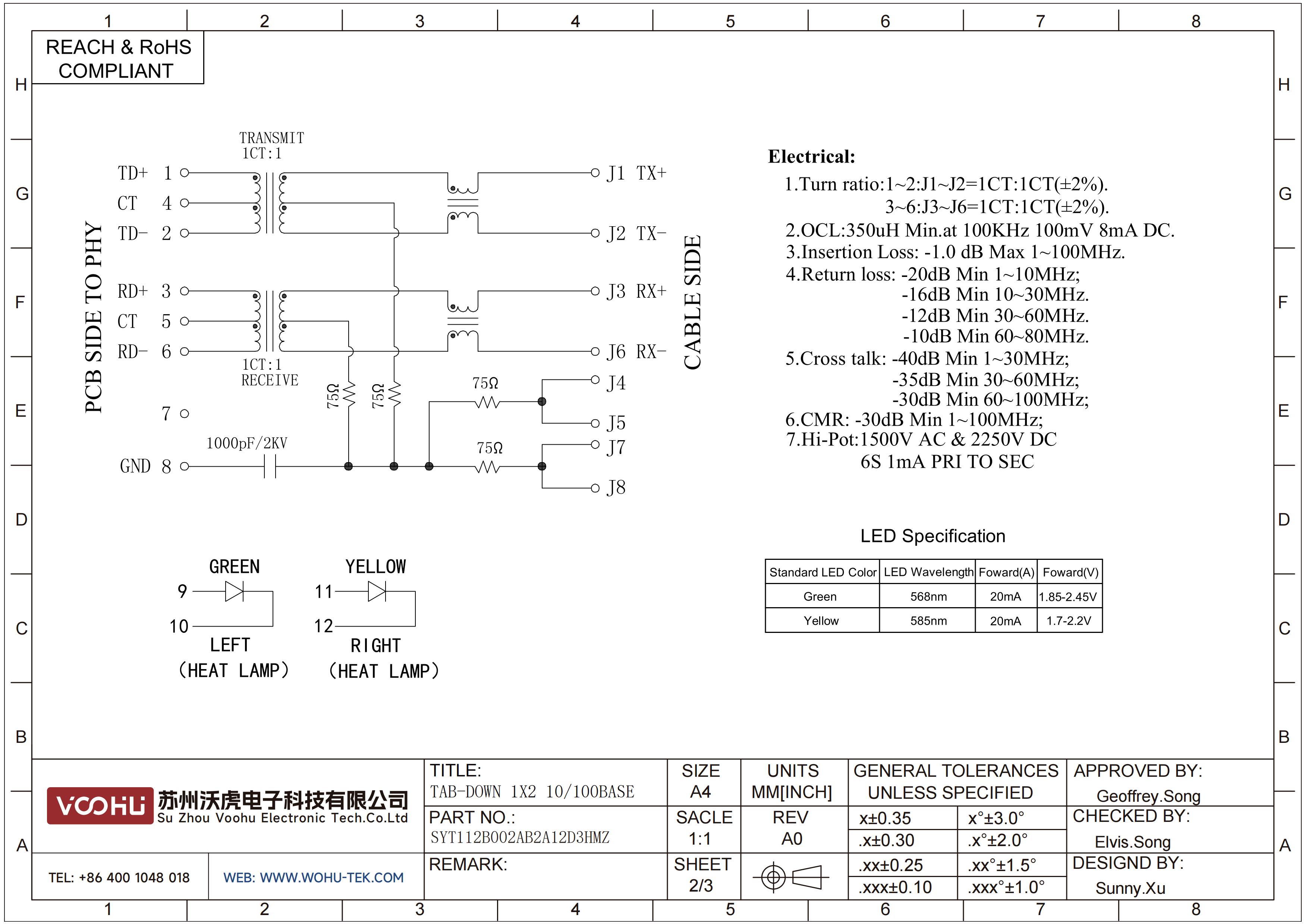
SYT112B002AB2A12D3HMZ 90°侧插 1*2 Tab DOWN G/Y 10/100M DIP RJ45

SYT112B002AB2A12D3HMZ 90° side insertion 1*2 Tab DOWN G/Y 10/100M DIP RJ45

产品详情

相关产品

WHSG50001TG Dual Ports SMD Gigabit Base-T PIN50 PoE Lan Transformer
WHSG50001TG 双端口 SMD 千兆底座-T PIN50 PoE LAN 变压器
WHSFP32524F002 SFP28 2×4 25G Cage+Connectors Fiber Optic cages
WHSFP32524F002 SFP28 2×4 25G 笼+连接器 光纤笼
SYT711U3Q798AE8WDBN5359 90° side insertion 1*1 Tab UP Y/OG 5G DIP RJ45+USB
SYT711U3Q798AE8WDBN5359 90°侧插 1*1 Tab UP Y/OG 5G DIP RJ45+USB
WHMC225-D2250-21  Adaptation type Micro SD  Pop-up THT Hot-swap support  Micro SD 4.0
WHMC225-D2250-21 适配类型 Micro SD Pop-up THT Hot-swap 支持 Micro SD 4.0
SYT811Q351FM1A10DB1057  90° 1*1 Tab UP 10G LED YG/G  Shield Tabs DIP RJ45
SYT811Q351FM1A10DB1057 90° 1*1 Tab UP 10G LED YG/G 屏蔽 Tab DIP RJ45
SYT211B002KG1A15DBH22  90° side insertion  1*1 Tab UP GY/GY  10/100M DIP RJ45
SYT211B002KG1A15DBH22 90°侧插 1*1 Tab UP GY/GY 10/100M DIP RJ45

Newsletter subscription

Subscribe to our newsletter and stay updated on the latest information of our company and product.

Name

|

Email

Subscribe

I agree that the information that I provide will be used in accordance with the terms of Voohu International Inc. Privacy & Cookies Policy