< img height="1" width="1" style="display:none" src="https://www.facebook.com/tr?id=778179321215791&ev=PageView&noscript=1" />
Products
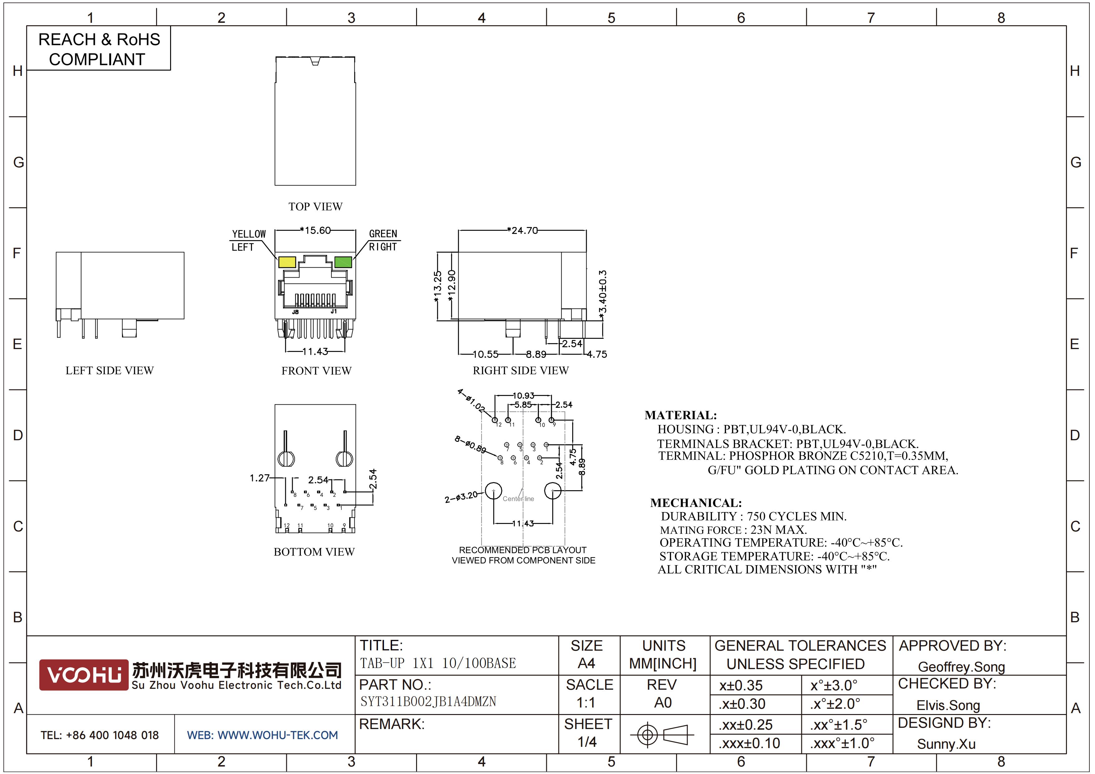
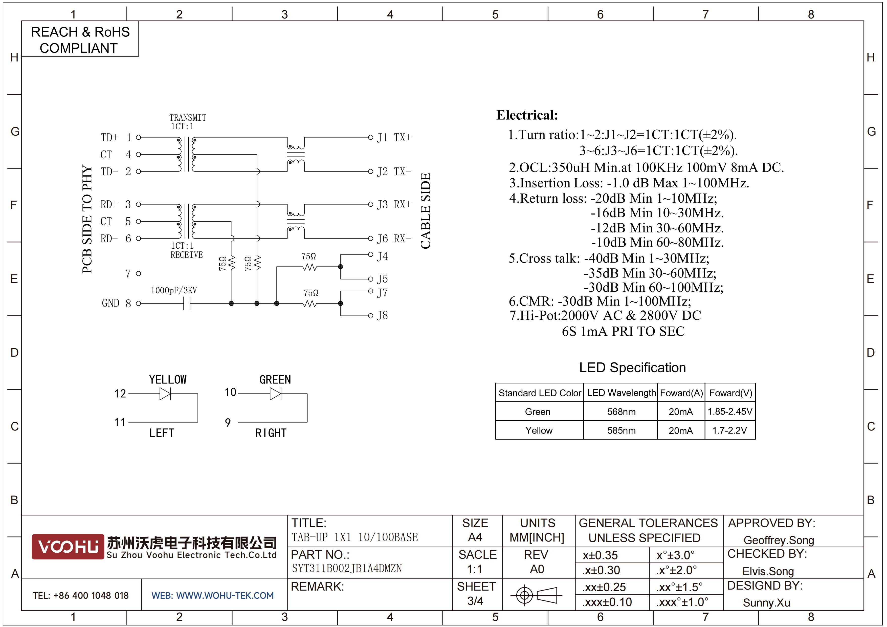
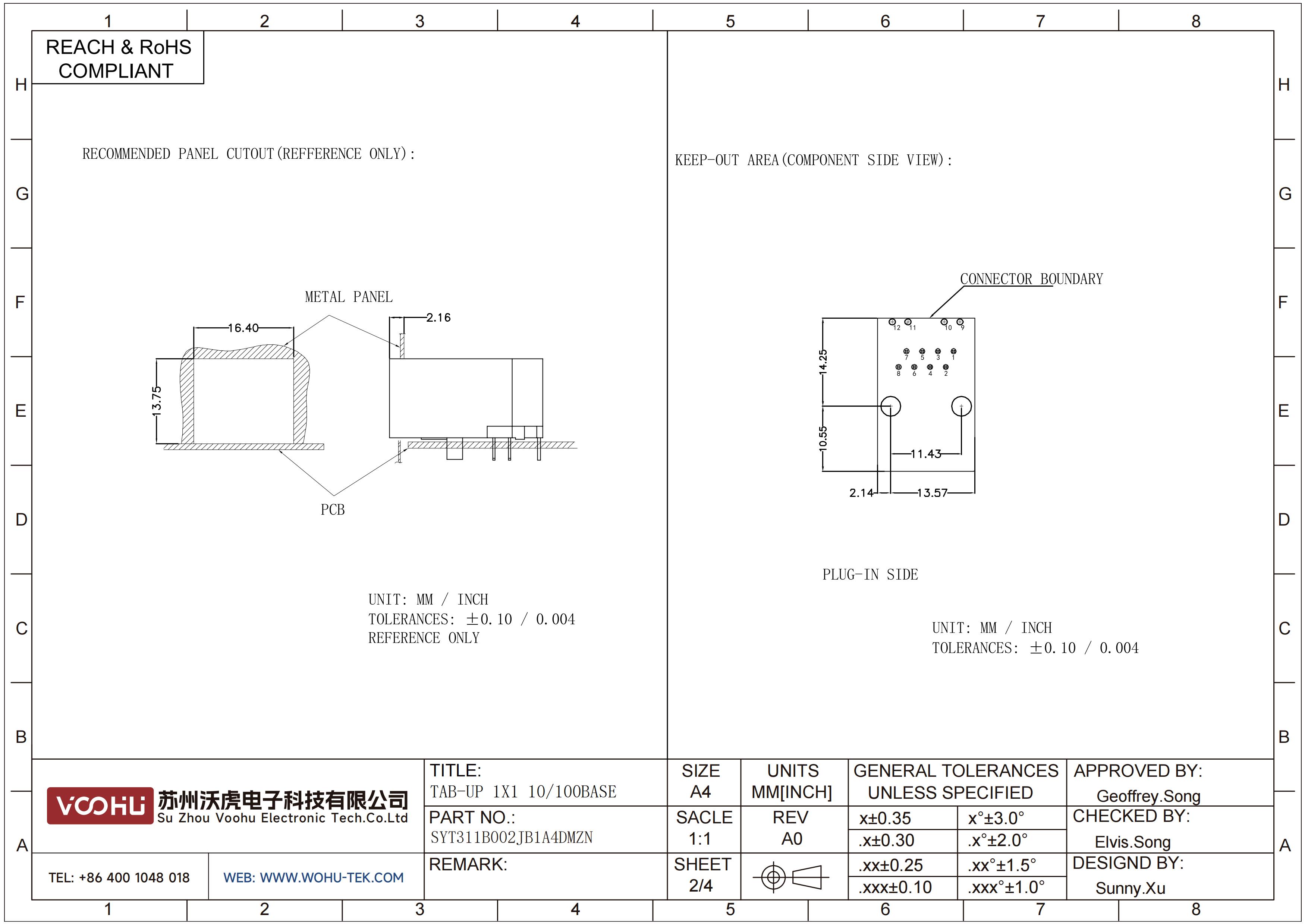
SYT311B002JB1A4DMZN 90°侧插 1*1 Tab UP Y/G 10/100M DIP RJ45

SYT311B002JB1A4DMZN 90° side insertion 1*1 Tab UP Y/G 10/100M DIP RJ45

类别:RJ45

产品详情

相关产品

WHSFP06228F020  SFP 2×8 5G Cage+Connector Connector Gold Plated30U Ni 30U Fiber Optic cages
WHSFP06228F020 SFP 2×8 5G 笼+连接器 连接器 镀金30U Ni 30U 光纤笼
WHLT-4532B-351MGN 100/1000BASE-T  X‘fmr+CMC Size4532  non-PoE Chip LAN
WHLT-4532B-351MGN 100/1000BASE-T X‘fmr+CMC Size4532 非-PoE 芯片 LAN
WHFS06B06AC Impedance(Ω)75  Frequency(MHz)5-1250  RF Balun Transformers
WHFS06B06AC阻抗(Ω)75频率(MHz)5-1250射频巴伦变压器
SYT55211166IWA1DY1017 90° side insertion 1*1 Tab UP  NO LED DIP RJ11
SYT55211166IWA1DY1017 90°侧插 1*1 Tab UP NO LED DIP RJ11
WHAC4532A101U0  Inductance100uH  RDC2.5Ω  Leakage Inductance200nH Common Mode Chokes
WHAC4532A101U0 电感100uH RDC2.5Ω 漏感200nH 共模扼流圈
SYT52F1188GWA1D4B008  1*1 DIP 180° vertical Tab UP Shield Tabs No gap RJ45
SYT52F1188GWA1D4B008 1*1 DIP 180° 垂直 Tab UP 屏蔽 Tab 无间隙 RJ45

Newsletter subscription

Subscribe to our newsletter and stay updated on the latest information of our company and product.

Name

|

Email

Subscribe

I agree that the information that I provide will be used in accordance with the terms of Voohu International Inc. Privacy & Cookies Policy