< img height="1" width="1" style="display:none" src="https://www.facebook.com/tr?id=778179321215791&ev=PageView&noscript=1" />
Products
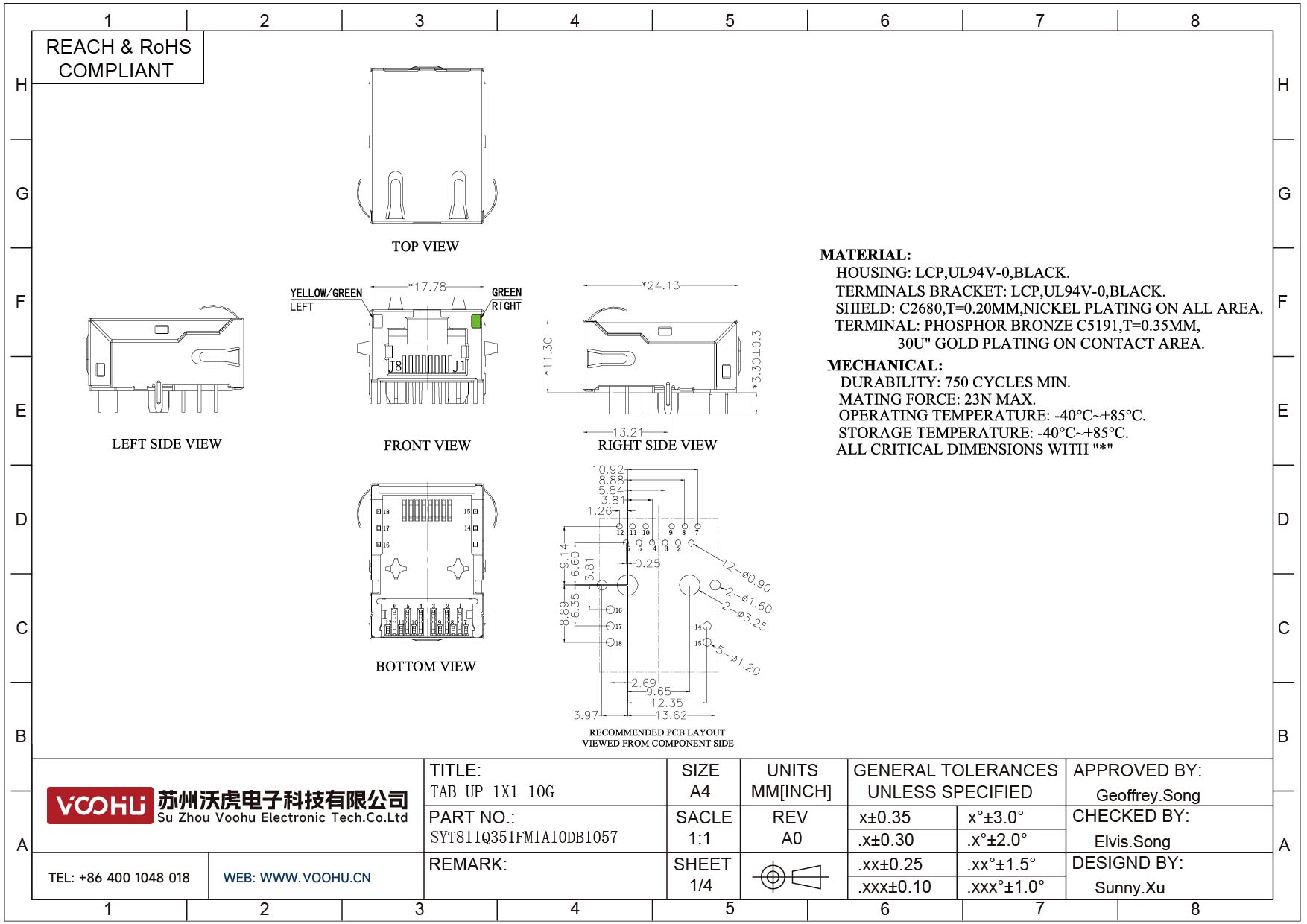
SYT811Q351FM1A10DB1057 90° 1*1 Tab UP 10G LED YG/G 屏蔽 Tab DIP RJ45

SYT811Q351FM1A10DB1057 90° 1*1 Tab UP 10G LED YG/G Shield Tabs DIP RJ45

产品详情

相关产品

WHSFP16228F015 SFP+ 2×8 10G Press-Fit Cage+Connector Connector Gold Plated30U Ni 30U Fiber Optic cages
WHSFP16228F015 SFP+ 2×8 10G Press-Fit 笼+连接器连接器镀金30U Ni 30U 光纤笼
WHSFP30412W009 SFP28 1×2 25G Cage Fiber Optic cages
WHSFP30412W009 SFP28 1×2 25G 笼式光纤笼
SYTFCGRJ458PA1101276 Silicone Black RJ45 Plug
SYTFCGRJ458PA1101276 硅胶黑色RJ45插头
SYT561188JB1A1DY128  90° side insertion 1*1 Tab UP LED Y/G all plastic DIP RJ45
SYT561188JB1A1DY128 90°侧插 1*1 Tab UP LED Y/G 全塑 DIP RJ45

Newsletter subscription

Subscribe to our newsletter and stay updated on the latest information of our company and product.

Name

|

Email

Subscribe

I agree that the information that I provide will be used in accordance with the terms of Voohu International Inc. Privacy & Cookies Policy