< img height="1" width="1" style="display:none" src="https://www.facebook.com/tr?id=778179321215791&ev=PageView&noscript=1" />
Products
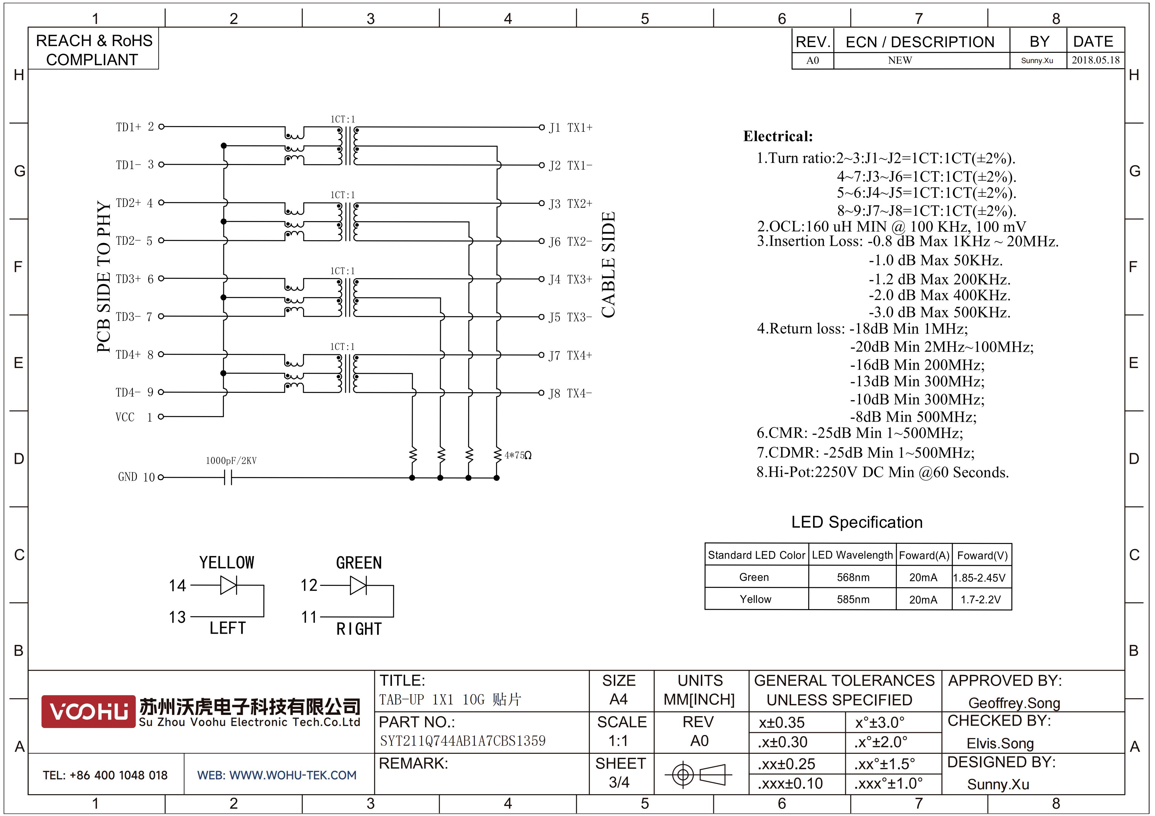
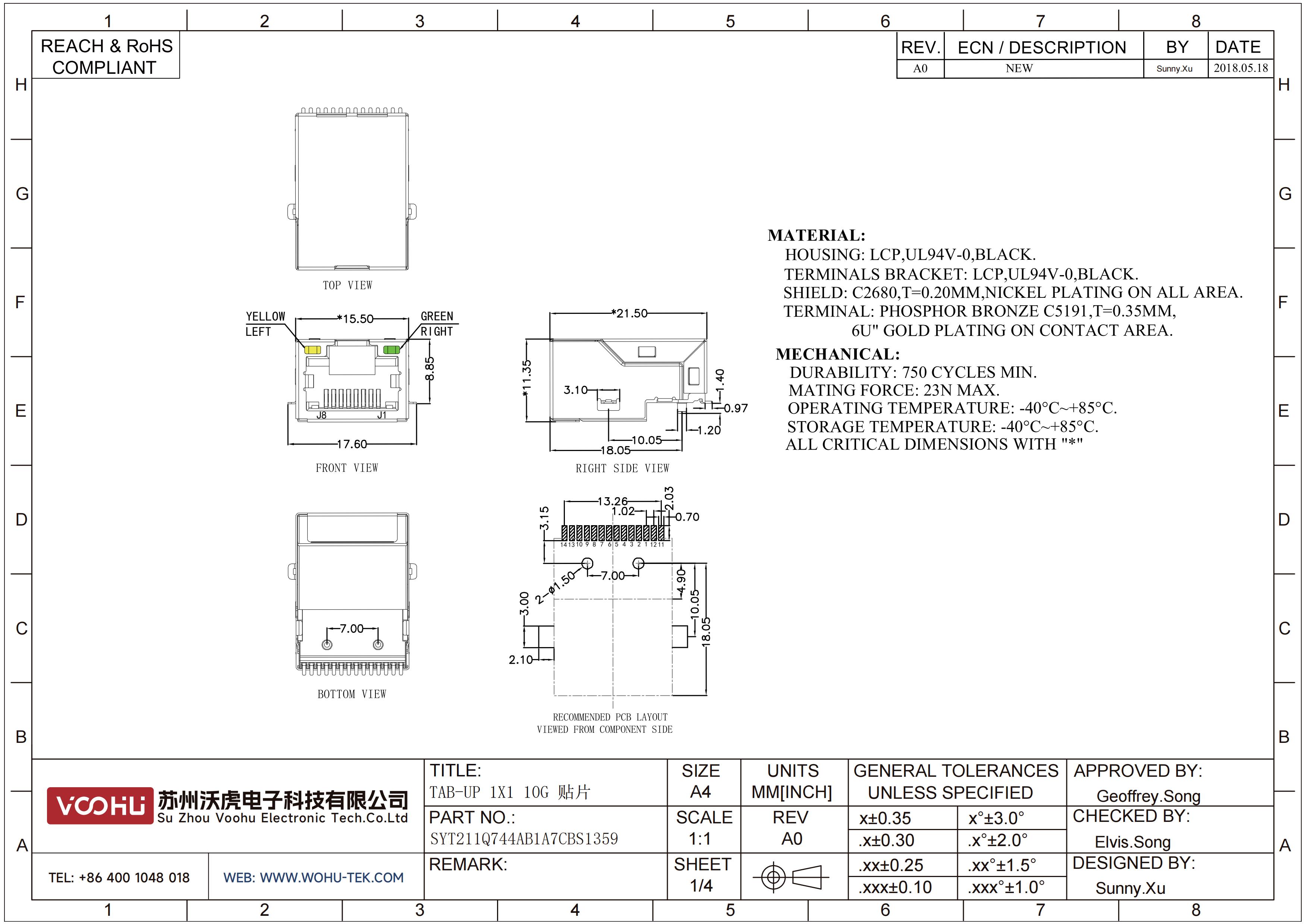
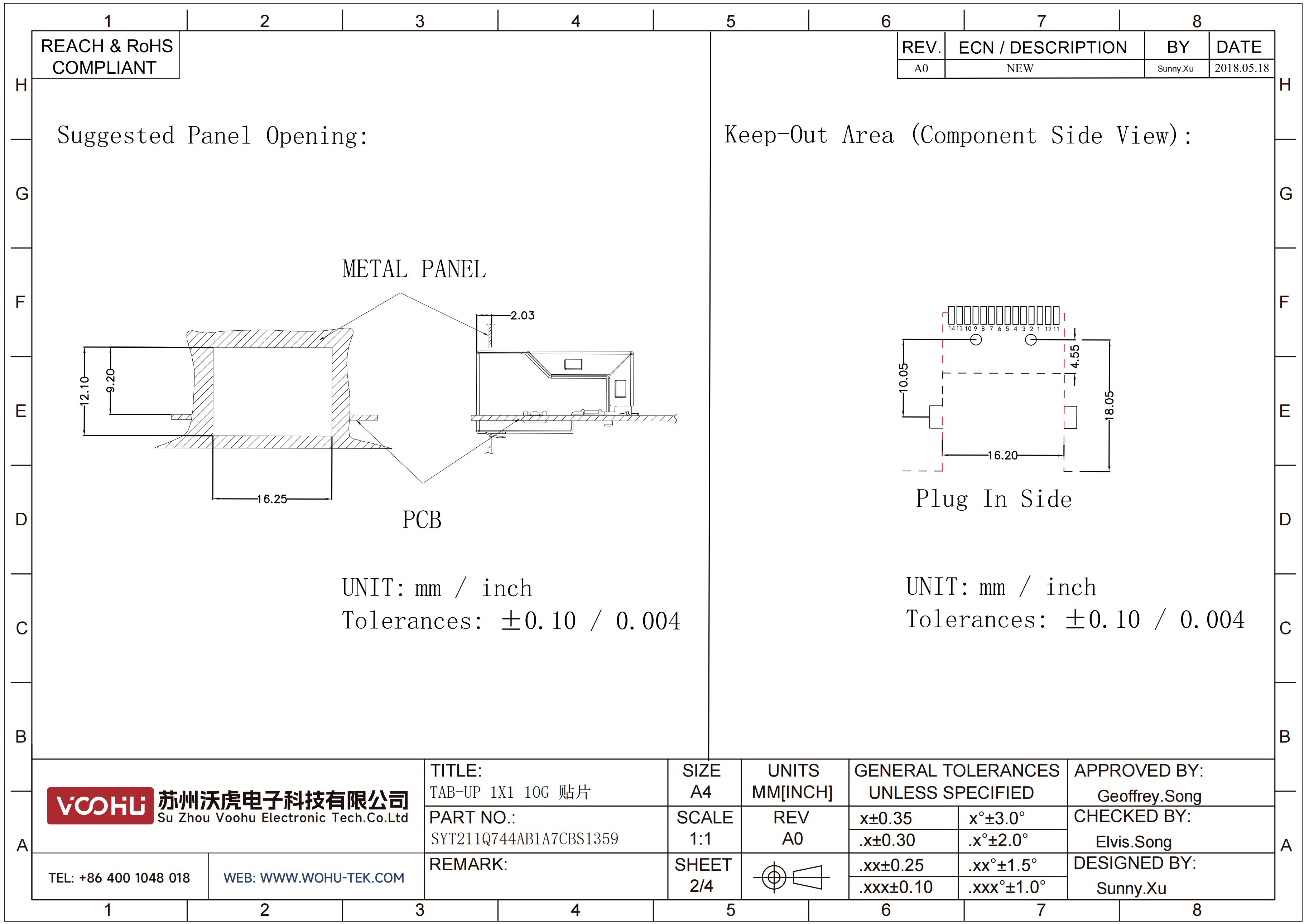
SYT211Q744AB1A7CBS1359 90° 1*1 タブアップ 10G LED Y/G シールド タブ SMT RJ45

SYT211Q744AB1A7CBS1359 90° 1*1 Tab UP 10G LED Y/G Shield Tabs SMT RJ45

カテゴリ: RJ45

製品詳細

関連商品

WHSM24P01G Single Port SMD 10G PIN24 non-PoE Lan Transformer
WHSM24P01G シングルポート SMD 10G PIN24 非-PoE Lan 変圧器
WHSFP15725F005 SFP+ 2×5 10G Press-Fit Cage+Connector Connector Gold Plated30U Fiber Optic cages
WHSFP15725F005 SFP+ 2×5 10G プレス-フィット ケージ+コネクタ コネクタ 金メッキ30U 光ファイバ ケージ
WH81-164-00020-1 SFP28 1×4 25G Cage Fiber Optic cages
WH81-164-00020-1 SFP28 1×4 25G ケージ光ファイバーケージ
SYT55211144IWE1DY1017 90° side insertion 1*1 Tab UP  NO LED DIP RJ11
SYT55211144IWE1DY1017 90° 側面挿入 1*1 タブ UP NO LED DIP RJ11
SYT561188AB1A3DY1027 90° side insertion 1*1 Tab UP LEDY/G  Shield Tabs DIP RJ45
SYT561188AB1A3DY1027 90°側面挿入 1*1 タブ UP LEDY/G シールド タブ DIP RJ45
SYT56F1488AE6A3DB3057 90° side insertion 1*4 Tab Down G/GO DIP RJ45
SYT56F1488AE6A3DB3057 90° 側面挿入 1*4 タブダウン G/GO DIP RJ45

Newsletter subscription

Subscribe to our newsletter and stay updated on the latest information of our company and product.

Name

|

Email

Subscribe

I agree that the information that I provide will be used in accordance with the terms of Voohu International Inc. Privacy & Cookies Policy