< img height="1" width="1" style="display:none" src="https://www.facebook.com/tr?id=778179321215791&ev=PageView&noscript=1" />
Products
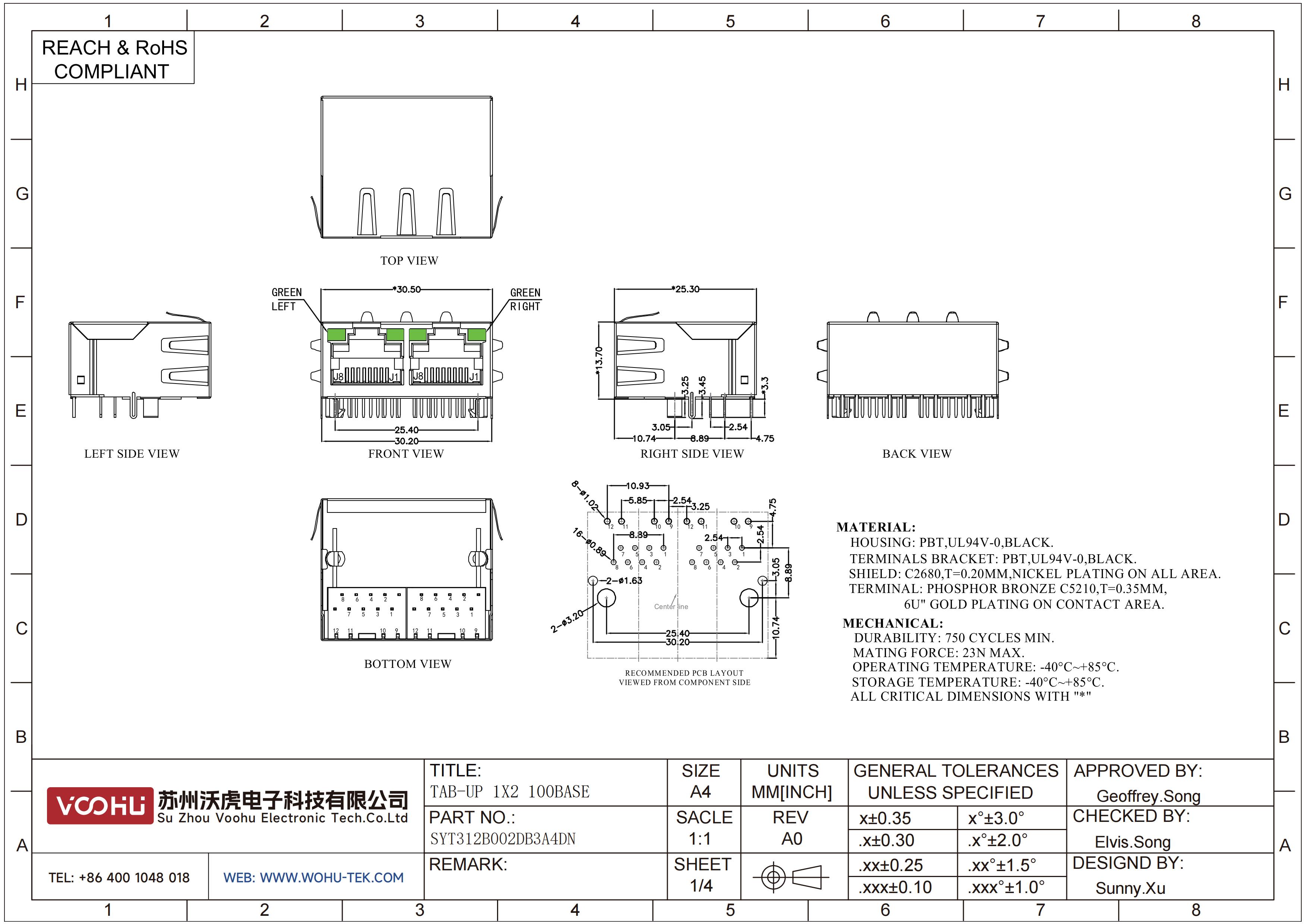
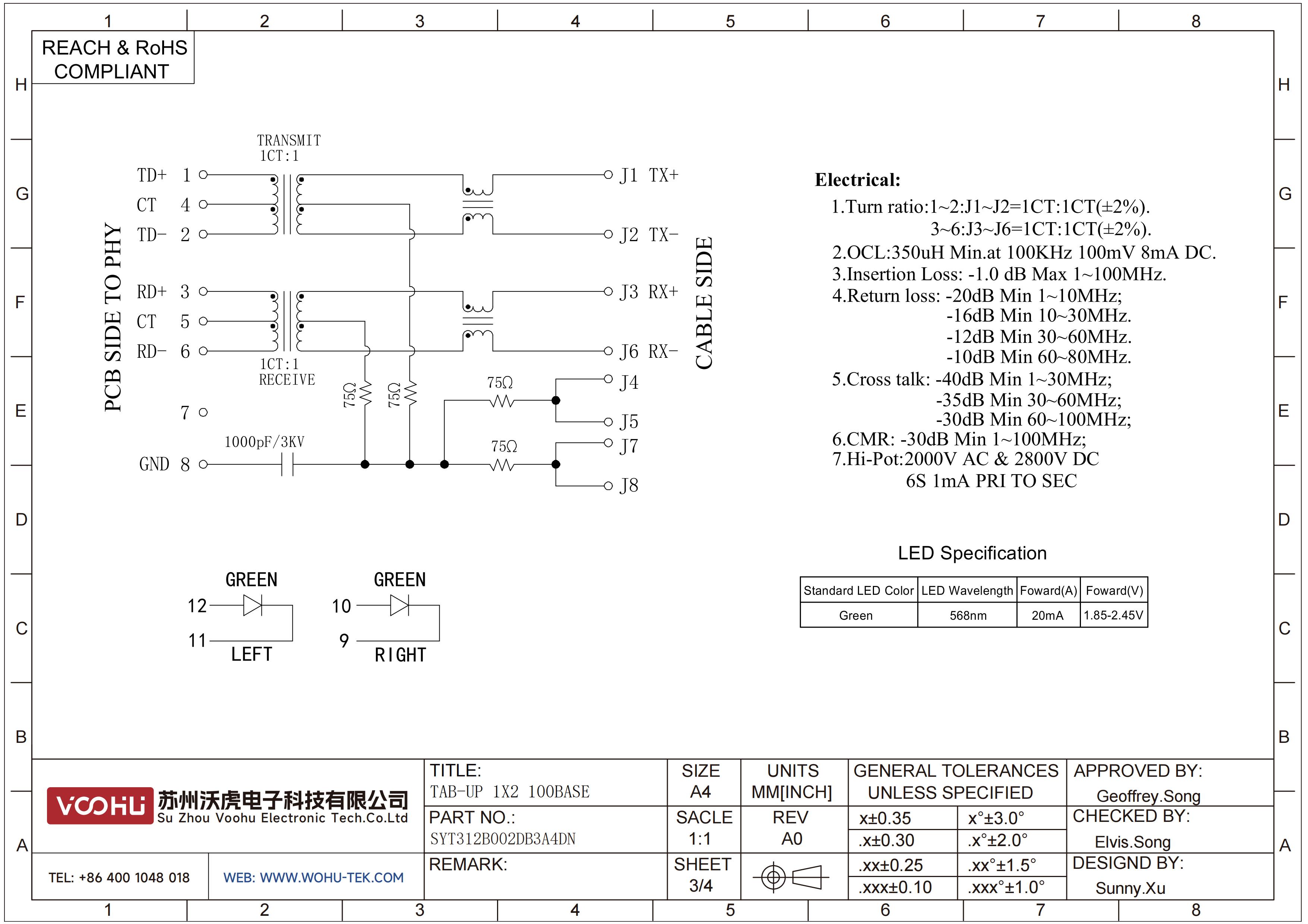
SYT312B002DB3A4DN 90° 側面挿入 1*2 タブアップ LED G/G 10/100M DIP RJ45

SYT312B002DB3A4DN 90° side insertion 1*2 Tab Up LED G/G 10/100M DIP RJ45

カテゴリ: RJ45

製品詳細

関連商品

WHSFP00200Y001 SFP 1 × 1 5G Cage Press-Fit  Fiber Optic cages
WHSFP00200Y001 SFP 1 × 1 5G ケージ プレス-フィット光ファイバー ケージ
WH8701-7248805203 90° side insertion 1*4 Tab UP GO/G DIP RJ45 Offset Connector
WH8701-7248805203 90° 側面挿入 1*4 タブ UP GO/G DIP RJ45 オフセット コネクタ
SYT111B002IWA1DDJ 90° side insertion 1*1 Tab Down 10/100M NO LED DIP RJ45
SYT111B002IWA1DDJ 90° 側面挿入 1*1 タブダウン 10/100M NO LED DIP RJ45
SYT59212188HWA1DY1C022Short body  5921 2*1 No light With shrapnel RJ45 connector
SYT59212188HWA1DY1C022ショートボディ 5921 2*1 ライトなし 破片 RJ45 コネクタ付き
WHPT-EQ200-017  Power71W  Inductance18μH  Lk(μH Max)0.5  Turns Ratio1:0.5:0.5  Output12V/5.9A  Planar transformers
WHPT-EQ200-017 パワー71W インダクタンス18μH Lk(μH Max)0.5 巻数比1:0.5:0.5 出力12V/5.9A 平面トランス
SYT211Q744AB1A7CBS1359  90° 1*1 Tab UP 10G LED Y/G Shield Tabs SMT RJ45
SYT211Q744AB1A7CBS1359 90° 1*1 タブアップ 10G LED Y/G シールド タブ SMT RJ45

Newsletter subscription

Subscribe to our newsletter and stay updated on the latest information of our company and product.

Name

|

Email

Subscribe

I agree that the information that I provide will be used in accordance with the terms of Voohu International Inc. Privacy & Cookies Policy