< img height="1" width="1" style="display:none" src="https://www.facebook.com/tr?id=778179321215791&ev=PageView&noscript=1" />
Products
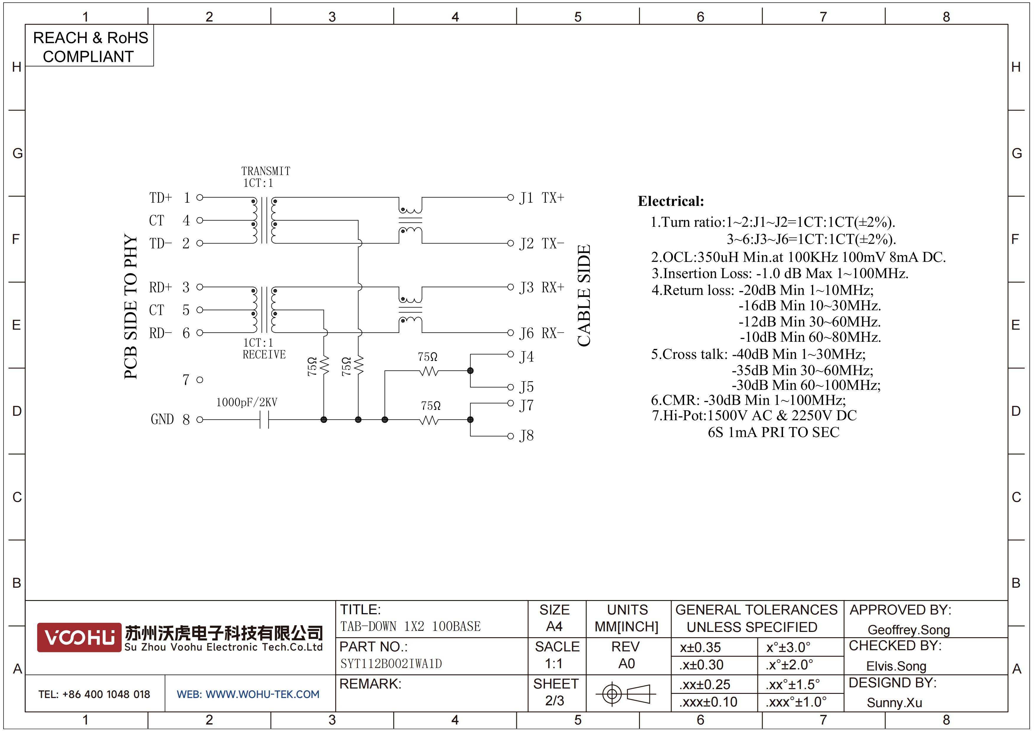
SYT112B002IWA1D 90° seitlicher Einschub 1*2 Tab DOWN 10/100M DIP RJ45

SYT112B002IWA1D 90° side insertion 1*2 Tab DOWN 10/100M DIP RJ45

Kategorie: RJ45
phone

Kundendienstnummer

+86 400 1048 018

Produktdetails

Verwandte Produkte

WHSG24F01ATG Single Port SMD Gigabit Base-T PIN24 PoE Lan Transformer
WHSG24F01ATG Single-Port-SMD-Gigabit-Basis-T PIN24 PoE-LAN-Transformator
WHSG48601-2PTG Dual Ports SMD Gigabit Base-T PIN48 Lan Transformer
WHSG48601-2PTG Dual Ports SMD Gigabit Base-T PIN48 LAN-Transformator
WHSFP05322D008 SFP 2×2 5G Cage+Connector Connector Gold Plated15U Fiber Optic cages
WHSFP05322D008 SFP 2×2 5G-Käfig + Steckverbinder, vergoldet, 15 HE, Glasfaserkäfige
SYT561688AB1A1D9Y1022 90° side insertion 1*6 Tab UP LED Y/G Shield Tabs  DIP  RJ45
SYT561688AB1A1D9Y1022 90° seitliche Einfügung 1*6 Tab UP LED Y/G Shield Tabs DIP RJ45
SYT111B178AB2A1DP 90° side insertion 1*1 Tab Down 10/100M POE 720mA LED G/Y Shield Tabs DIP RJ45
SYT111B178AB2A1DP 90° seitliche Einfügung 1*1 Tab Down 10/100M POE 720mA LED G/Y Shield Tabs DIP RJ45
WHPBU-100710N-R30M0 Initial Inductance:300nH Tolerance: 20 (±%) DCR0.18 ± 10%mΩ Heating Current (Amps) (typ)70 Combined Inductor
WHPBU-100710N-R30M0 Anfangsinduktivität: 300 nH Toleranz: 20 (± %) DCR0,18 ± 10 % mΩ Heizstrom (Ampere) (typisch)70 Kombinierter Induktor

Newsletter subscription

Subscribe to our newsletter and stay updated on the latest information of our company and product.

Name

|

Email

Subscribe

I agree that the information that I provide will be used in accordance with the terms of Voohu International Inc. Privacy & Cookies Policy