< img height="1" width="1" style="display:none" src="https://www.facebook.com/tr?id=778179321215791&ev=PageView&noscript=1" />
Products
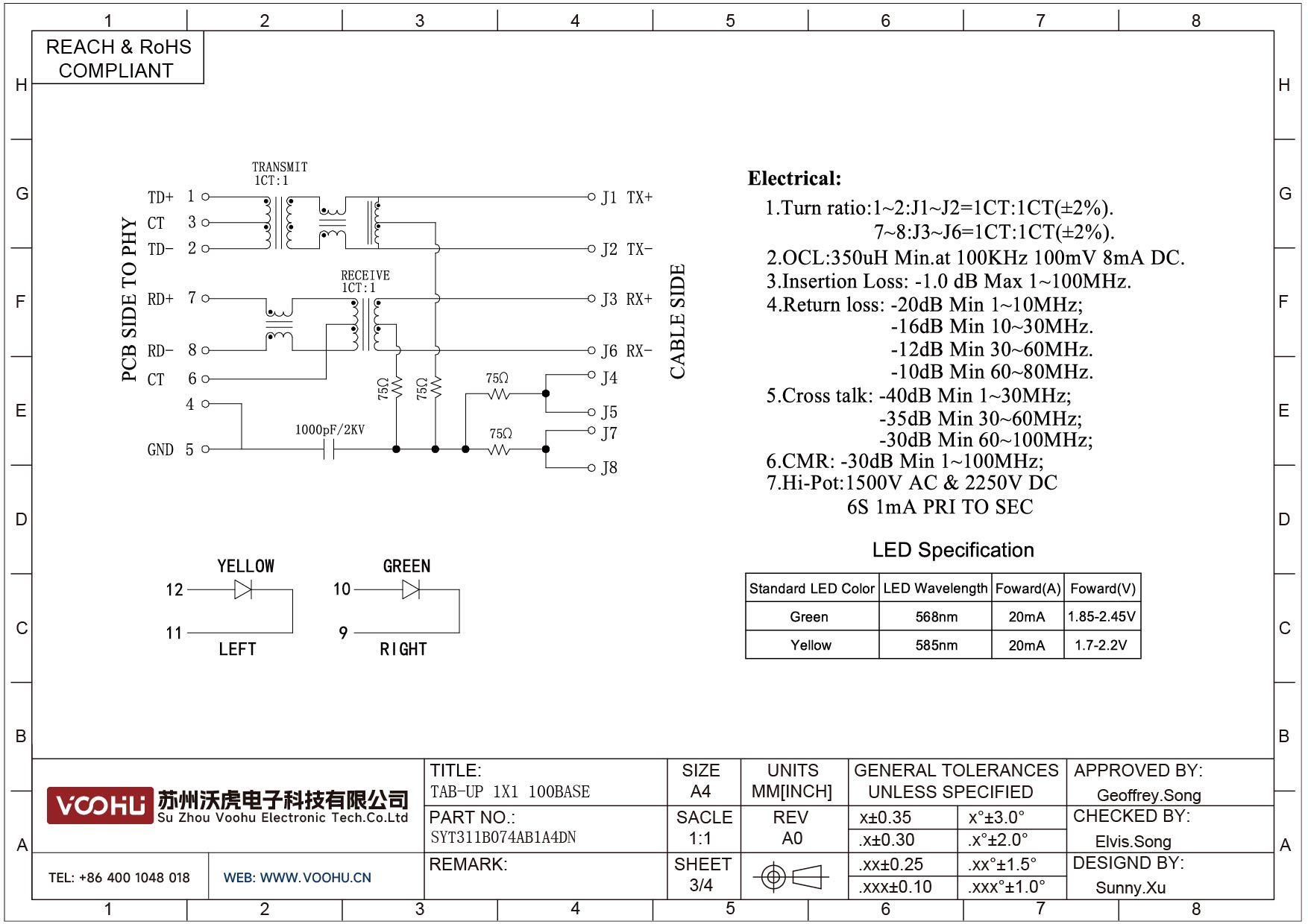
SYT311B074AB1A4DN 90° seitlicher Einschub 1*1 Lasche UP Y/G 10/100M DIP RJ45

SYT311B074AB1A4DN 90° side insertion 1*1 Tab UP Y/G 10/100M DIP RJ45

Kategorie: RJ45
phone

Kundendienstnummer

+86 400 1048 018

Produktdetails

Verwandte Produkte

WHD20601G  Dual Ports DIP 10/100Base-TX PIN20 non-PoE  Lan Transformer
WHD20601G Dual Ports DIP 10/100Base-TX PIN20 nicht-PoE Lan Transformator
WHDG88409G Quad Ports DIP Gigabit Base-T PIN88 Lan Transformer
WHDG88409G Quad Ports DIP Gigabit Base-T PIN88 Lan-Transformator
WHTT5002 5PIN SMD Hi-Pot500VAC Audio Transformer
WHTT5002 5PIN SMD Hi-Pot500VAC Audiotransformator
SYT55211166IWA1DY1017 90° side insertion 1*1 Tab UP  NO LED DIP RJ11
SYT55211166IWA1DY1017 90° seitlicher Einschub 1*1 Lasche UP NO LED DIP RJ11
SYT511Q070AB2A8D 180° vertical 1*1 Tab UP 100/1000M  LED G/Y DIP RJ45
SYT511Q070AB2A8D 180° vertikal 1*1 Tab UP 100/1000M LED G/Y DIP RJ45
SYT60S1188DB1A6DY1008  90° side insertion 1*1  Tab UP LED Y/G DIP RJ45
SYT60S1188DB1A6DY1008 90° seitlicher Einschub 1*1 Tab UP LED Y/G DIP RJ45

Newsletter subscription

Subscribe to our newsletter and stay updated on the latest information of our company and product.

Name

|

Email

Subscribe

I agree that the information that I provide will be used in accordance with the terms of Voohu International Inc. Privacy & Cookies Policy