< img height="1" width="1" style="display:none" src="https://www.facebook.com/tr?id=778179321215791&ev=PageView&noscript=1" />
Products
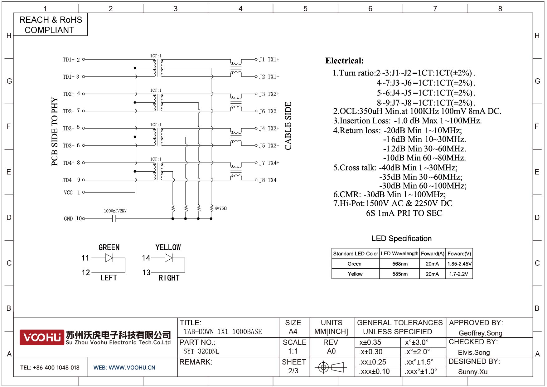
SYT-320DNL 90° seitlicher Einschub 1*1 Lasche nach unten 100/1000M LED G/Y DIP RJ45

SYT-320DNL 90° side insertion 1*1 Tab Down 100/1000M LED G/Y DIP RJ45

Produktdetails

Verwandte Produkte

WHSFP00612W003 1x2 SFP 5G Cage Fiber Optic cages
WHSFP00612W003 1x2 SFP 5G-Käfig-Glasfaserkäfige
WH13P-24L EP13-series power13W  Output voltage24V Output current0.54A POE Power Transformer
WH13P-24L EP13-Serienleistung13W Ausgangsspannung24V Ausgangsstrom0,54A POE-Leistungstransformator
WHSFP32222F008 SFP28 2×2 25G Cage+Connectors Fiber Optic cages
WHSFP32222F008 SFP28 2×2 25G Käfig+Anschlüsse Glasfaserkäfige

Newsletter subscription

Subscribe to our newsletter and stay updated on the latest information of our company and product.

Name

|

Email

Subscribe

I agree that the information that I provide will be used in accordance with the terms of Voohu International Inc. Privacy & Cookies Policy