< img height="1" width="1" style="display:none" src="https://www.facebook.com/tr?id=778179321215791&ev=PageView&noscript=1" />
Products
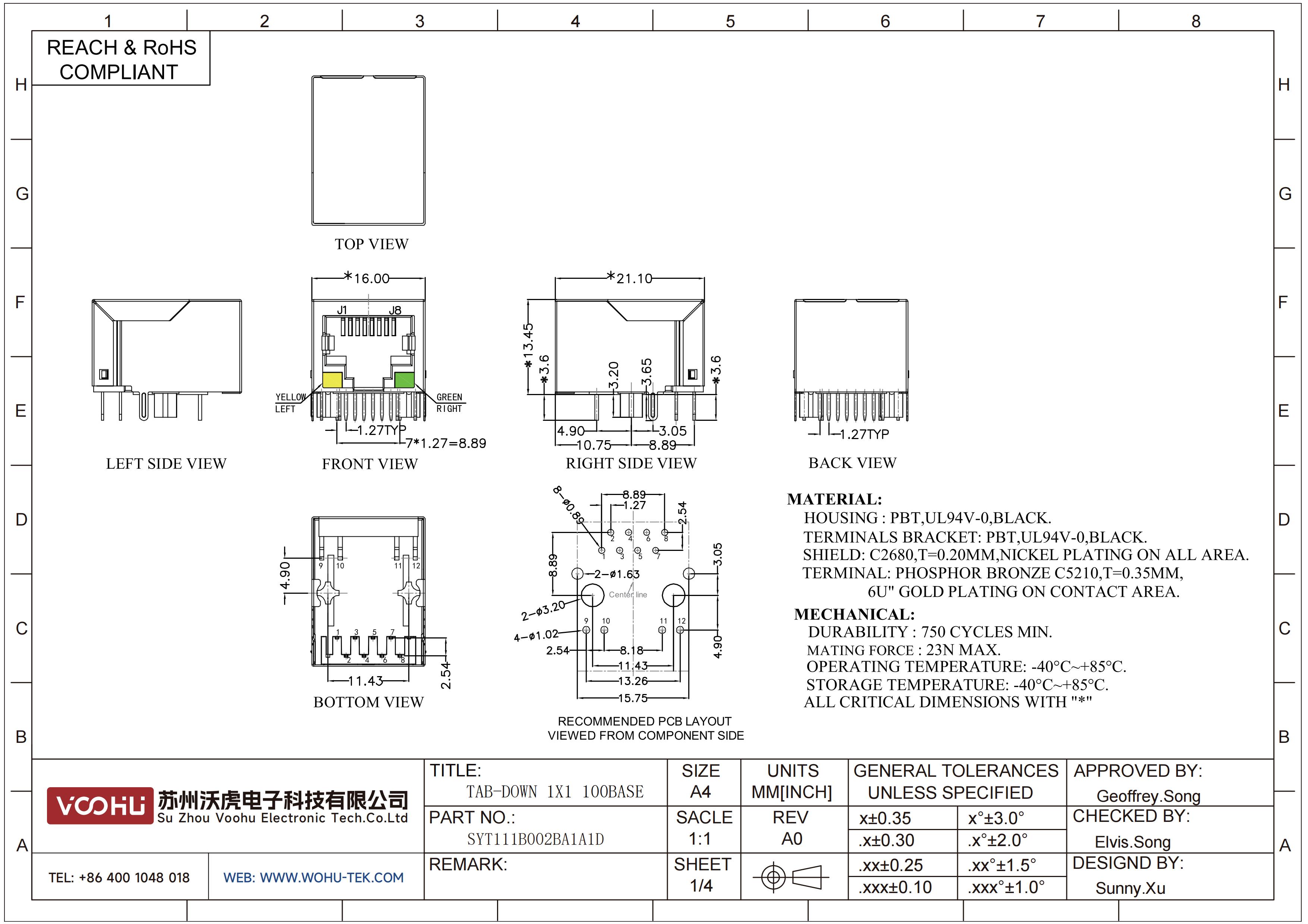
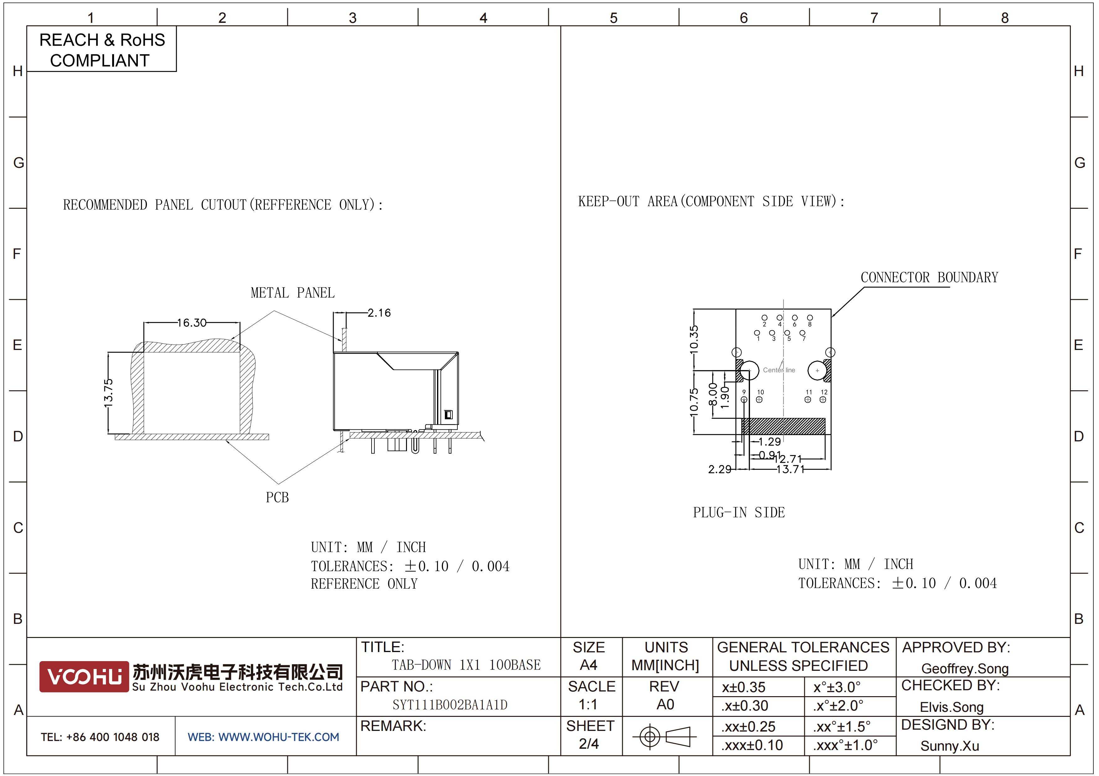
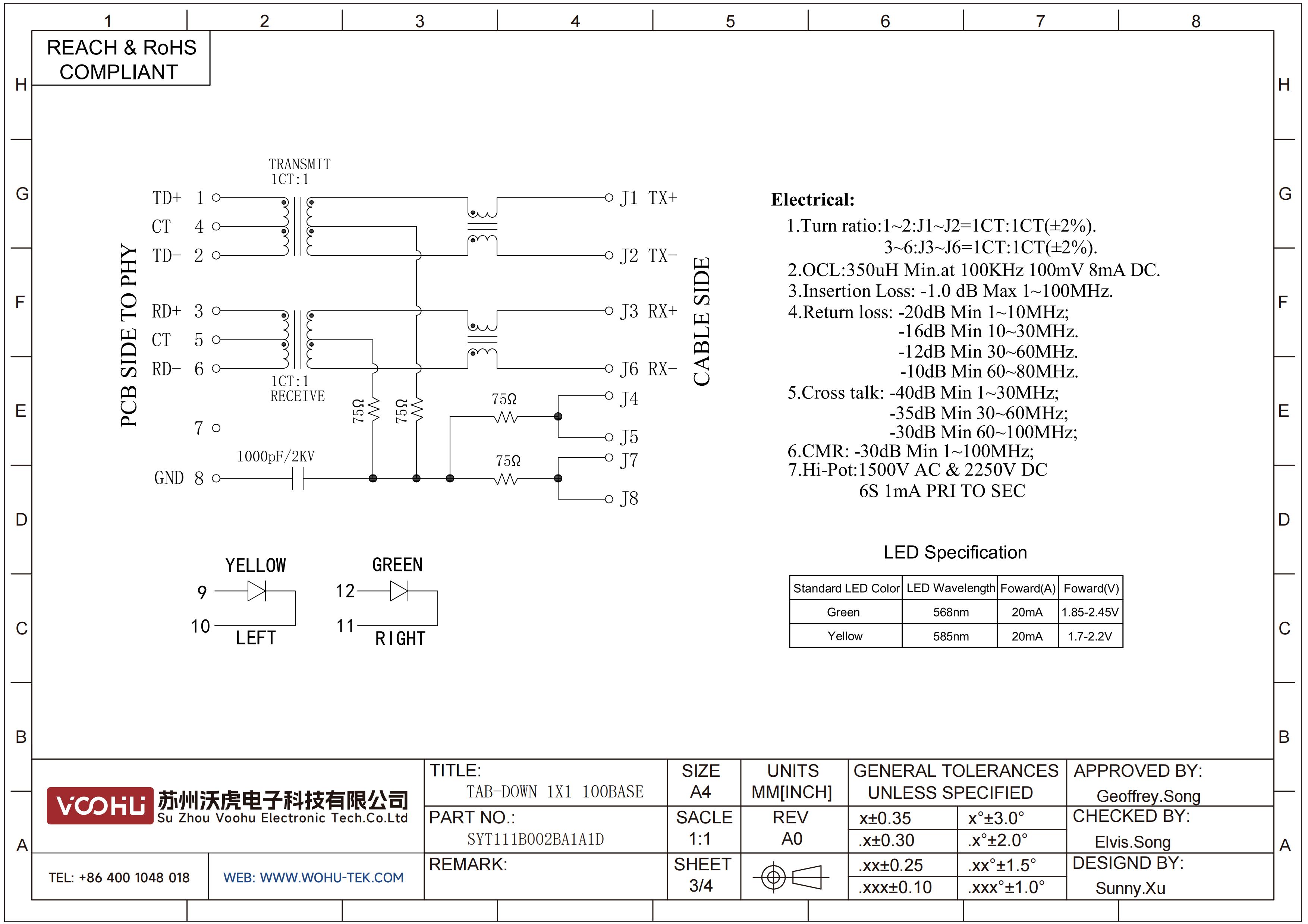
SYT111B002BA1A1D 90 ° Seiteninsertion 1*1 Tab Down Y/G 10/100m DIP RJ45

SYT111B002BA1A1D 90° side insertion 1*1 Tab down Y/G 10/100M DIP RJ45

Produktdetail

Verwandte Produkte

WHS16013LF Single Port SMD 10/100Base-TX PIN16 non-PoE  Lan Transformer
WHS16013Lf Single Port SMD 10/100Base - TX PIN16 NON - POE LAN -Transformator
WHPT-EE050-008 L(μH)980 IR(A) Max20 Turns Ratio1:70 Isolation(VAC)1000 SizeEE5 Current Transformer
WHPT - EE050 - 008 L (μH) 980 IR (A) MAX20 -Kurvenverhältnis: 70 Isolation (VAC) 1000 Sizeee5 Stromtransformator
SYT59212488DB3A1DY1C022Short body 90° side insertion 2*4 Tab UP/Down LED G/G Shield Tabs DIP RJ45
SYT59212488DB3A1DY1C022SHORT KODEL 90 ° Seiteninsertion 2*4 Registerkarte Up/Down LED G/G Shield Tabs Dip RJ45
JL5108C-NI 10/100M NA NA 3.3V(1.1V)1 -40-85℃ 9*9mm Ethernet Switch Chip
JL5108C - Ni 10/100m Na Na 3,3 V (1,1 V) 1 - 40 - 85 ℃ 9*9mm Ethernet -Schalterchip
WHST06D01A0  L(μH)200  Turns Ratio1:1:3.4  DCR1(mΩ)237  DCR2(mΩ)882 Isolation 3000VAC  Push-Pull/Driver Transformers
WST06D01A0 L (μH) 200 -Kurvenverhältnis 1: 1: 3,4 DCR1 (Mω) 237 DCR2 (Mω) 882 Isolierung 3000 VAC Push - Pull/Treibertransformatoren
SYTCB281188GWW6SB1133 90° side insertion 1*1 Tab Up SMT RJ45 Offset Connector
SYTCB281188GWW6SB1133 90 ° Seiteninsertion 1*1 Registerkarte up SMT RJ45 -Offset -Anschluss

Newsletter subscription

Subscribe to our newsletter and stay updated on the latest information of our company and product.

Name

|

Email

Subscribe

I agree that the information that I provide will be used in accordance with the terms of Voohu International Inc. Privacy & Cookies Policy