< img height="1" width="1" style="display:none" src="https://www.facebook.com/tr?id=778179321215791&ev=PageView&noscript=1" />
Products
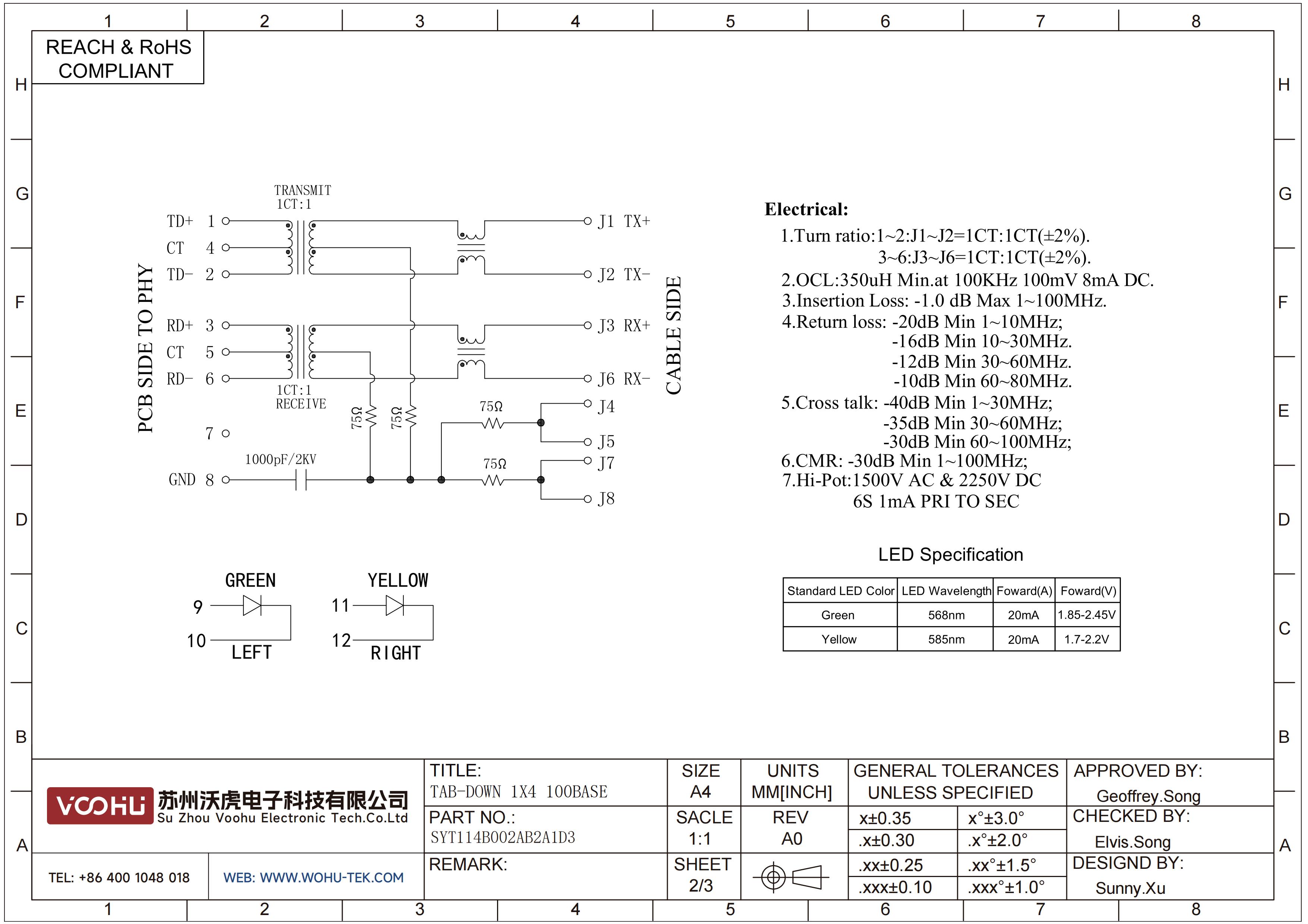
SYT114B002AB2A1D3 90 ° Seiteninsertion 1*4 LED G/Y Tab Down 10/100m Dip RJ45

SYT114B002AB2A1D3 90° side insertion 1*4 LED G/Y Tab Down 10/100M DIP RJ45

Produktdetail

Verwandte Produkte

WHTT4100 4PIN SMD Hi-Pot1250VAC Audio Transformer
WHTT4100 4PIN SMD HI - POT1250VAC Audio -Transformator
SYT59212188HWA1DY1A022Short body 90° side insertion 2*1 Tab UP/Down NO LED DIP RJ45
SYT59212188HWA1DY1A022SHORT BODE 90 ° Seiteneinfügung 2*1 Registerkarte Auf/Down No LED DIP RJ45
WHSD400-D1251-20  Adaptation typeSD  Direct plug-in  THT  Hot-swap support  SD4.0
WHSD400 - D1251 - 20 Anpassungstypen Direct Plug - in tht Hot - Swap Support SD4.0
WHSQ48002P1 Dual Ports SMD 2.5G/5G  PIN48 4PPoE Lan Transformer
WHSQ48002P1 Dual -Ports SMD 2,5G/5G PIN48 4PPOE LAN -Transformator
SYT111B002BA1A1D  90° side insertion 1*1 Tab down  Y/G 10/100M DIP RJ45
SYT111B002BA1A1D 90 ° Seiteninsertion 1*1 Tab Down Y/G 10/100m DIP RJ45

Newsletter subscription

Subscribe to our newsletter and stay updated on the latest information of our company and product.

Name

|

Email

Subscribe

I agree that the information that I provide will be used in accordance with the terms of Voohu International Inc. Privacy & Cookies Policy