< img height="1" width="1" style="display:none" src="https://www.facebook.com/tr?id=778179321215791&ev=PageView&noscript=1" />
Products
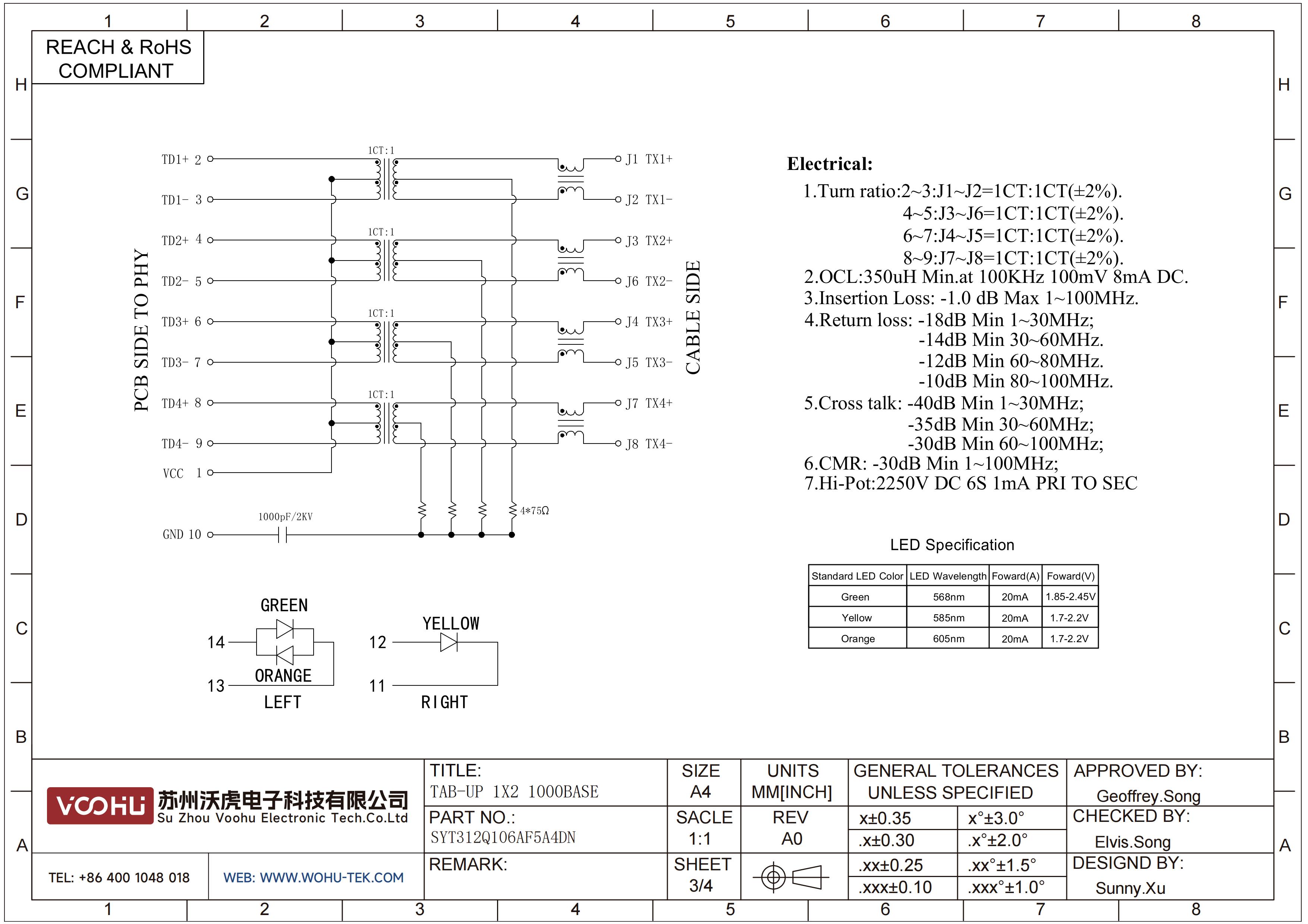
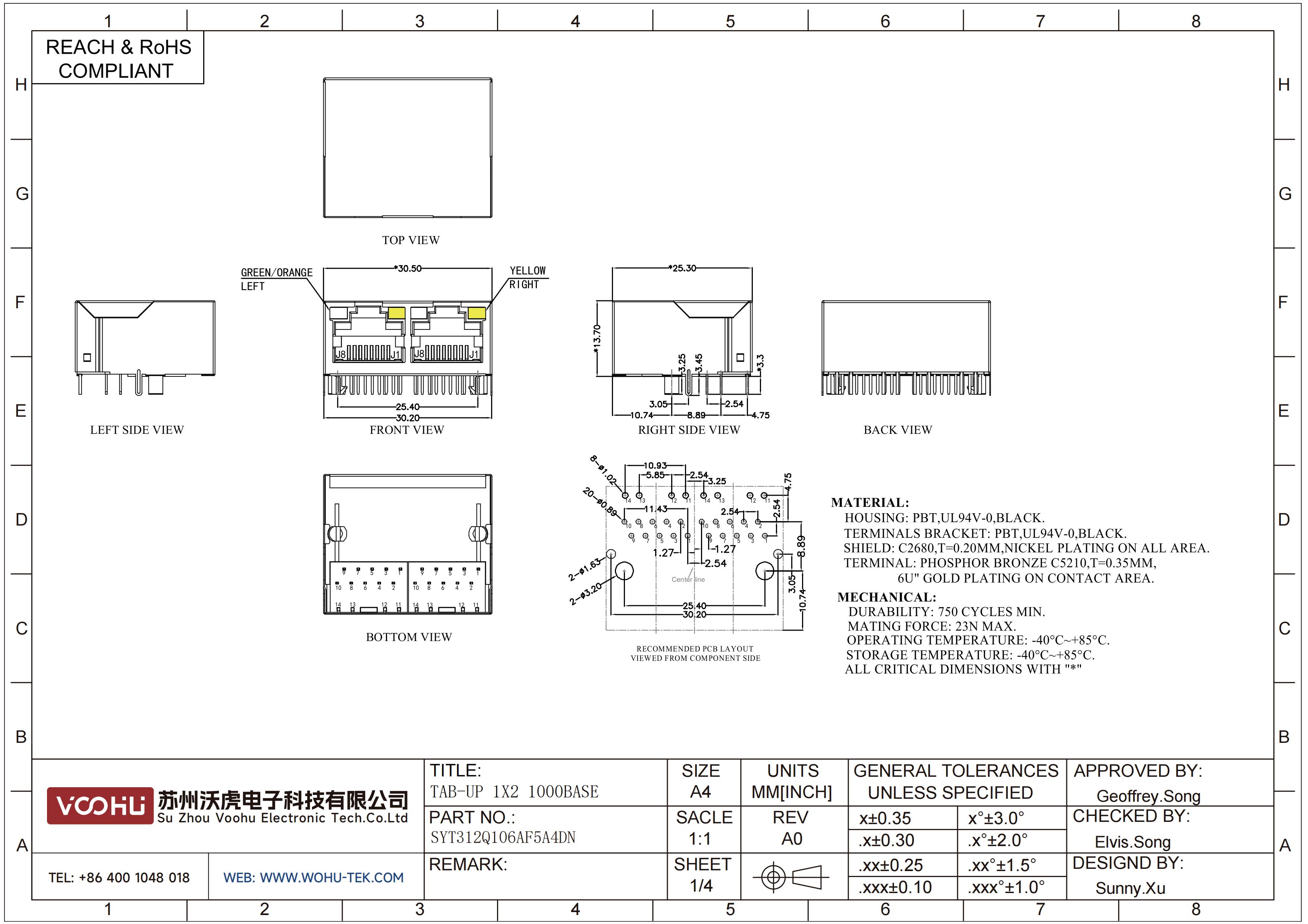
SYT312Q106AF5A4DN 90 ° 1*2 Tab up 100/1000Base LED GO/Y DIP RJ45

SYT312Q106AF5A4DN 90° 1*2 Tab Up 100/1000BASE LED GO/Y DIP RJ45

Kategorie: RJ45
phone

Kundendienstnummer

+86 400 1048 018

Produktdetail

Verwandte Produkte


WHTT4005 4PIN SMD Hi-Pot1250VAC Audio Transformer
WHTT4005 4PIN SMD HI - POT1250VAC Audio -Transformator
WHS06K01E0 Single Working Voltage1500 Isolation7640VAC BMS ISOLATION TRANSFORMER
WHS06K01E0 Single Arbeitsspannung1500 Isolation7640VAC BMS Isolationstransformator
WHACM07A40R701 Dimensions7.0±0.5*6.0±0.5*4 DC Resistance 15mΩ Rated DC Current 4A Common Mode Chokes
WHACM07A40R701 Abmessungen7,0 ± 0,5*6,0 ± 0,5*4 dc Widerstand 15mΩ Nenner DC -Strom 4a Common Mode Chokes
SYT511Q070AB2A8D 180° vertical 1*1 Tab UP 100/1000M  LED G/Y DIP RJ45
SYT511Q070AB2A8D 180 ° Vertikal 1*1 Tab up 100/1000m LED G/Y DIP RJ45
SYT611B099GWWD009(Bent feet)   90° side insertion  1*1  Tab Up 10/100M DIP RJ45+USB
SYT611B099GWWD009 (gebogene Füße) 90 ° Seiteninsertion 1*1 Tab Up 10/100 m DIP RJ45+USB
WHST06002G0  L(μH)538 Turns Ratio 1:2  DCR1 750mΩ  DCR2 1300mΩ  Isolation 4000VAC Push-Pull/Driver Transformers
WST06002G0 L (μH) 538 Kurvenverhältnis 1: 2 DCR1 750 mΩ DCR2 1300 mΩ Isolierung 4000 VAC Push - Pull/Treibertransformatoren

Newsletter subscription

Subscribe to our newsletter and stay updated on the latest information of our company and product.

Name

|

Email

Subscribe

I agree that the information that I provide will be used in accordance with the terms of Voohu International Inc. Privacy & Cookies Policy