< img height="1" width="1" style="display:none" src="https://www.facebook.com/tr?id=778179321215791&ev=PageView&noscript=1" />
Products
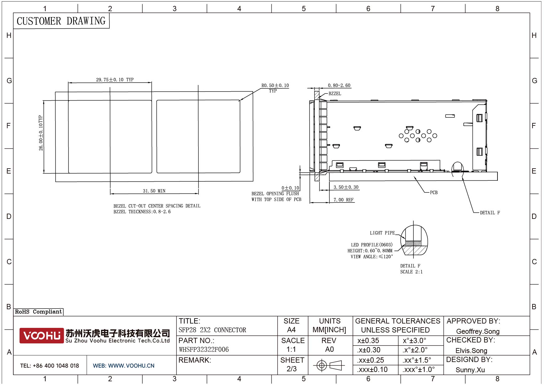
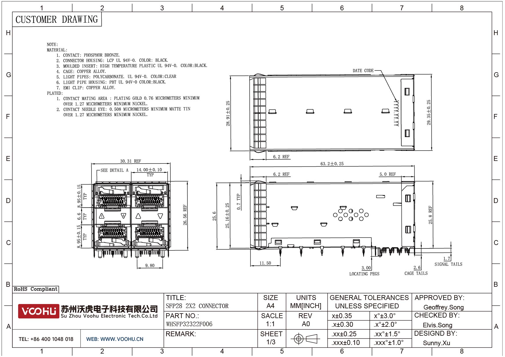
WHSFP32322F006 SFP28 2×2 25G Käfig+Anschlüsse Glasfaserkäfige

WHSFP32322F006 SFP28 2×2 25G Cage+Connectors Fiber Optic cages

Produktdetails

Verwandte Produkte

WHDG88409PG Quad Ports DIP Gigabit Base-T PIN88 PoE+ Lan Transformer
WHDG88409PG Quad Ports DIP Gigabit Base-T PIN88 PoE+ Lan Transformator
WHSG24303G Single Port SMD(Low height)Gigabit Base-T PIN24 non-PoE Lan Transformer
WHSG24303G Single-Port-SMD (geringe Höhe) Gigabit-Basis-T PIN24 nicht-PoE-LAN-Transformator
ST1010WH EP10-series power12W  Output voltage13.5V Output current0.85A POE Power Transformer
ST1010WH EP10-Serienleistung12W Ausgangsspannung13,5V Ausgangsstrom0,85A POE-Leistungstransformator

Newsletter subscription

Subscribe to our newsletter and stay updated on the latest information of our company and product.

Name

|

Email

Subscribe

I agree that the information that I provide will be used in accordance with the terms of Voohu International Inc. Privacy & Cookies Policy