< img height="1" width="1" style="display:none" src="https://www.facebook.com/tr?id=778179321215791&ev=PageView&noscript=1" />
Products
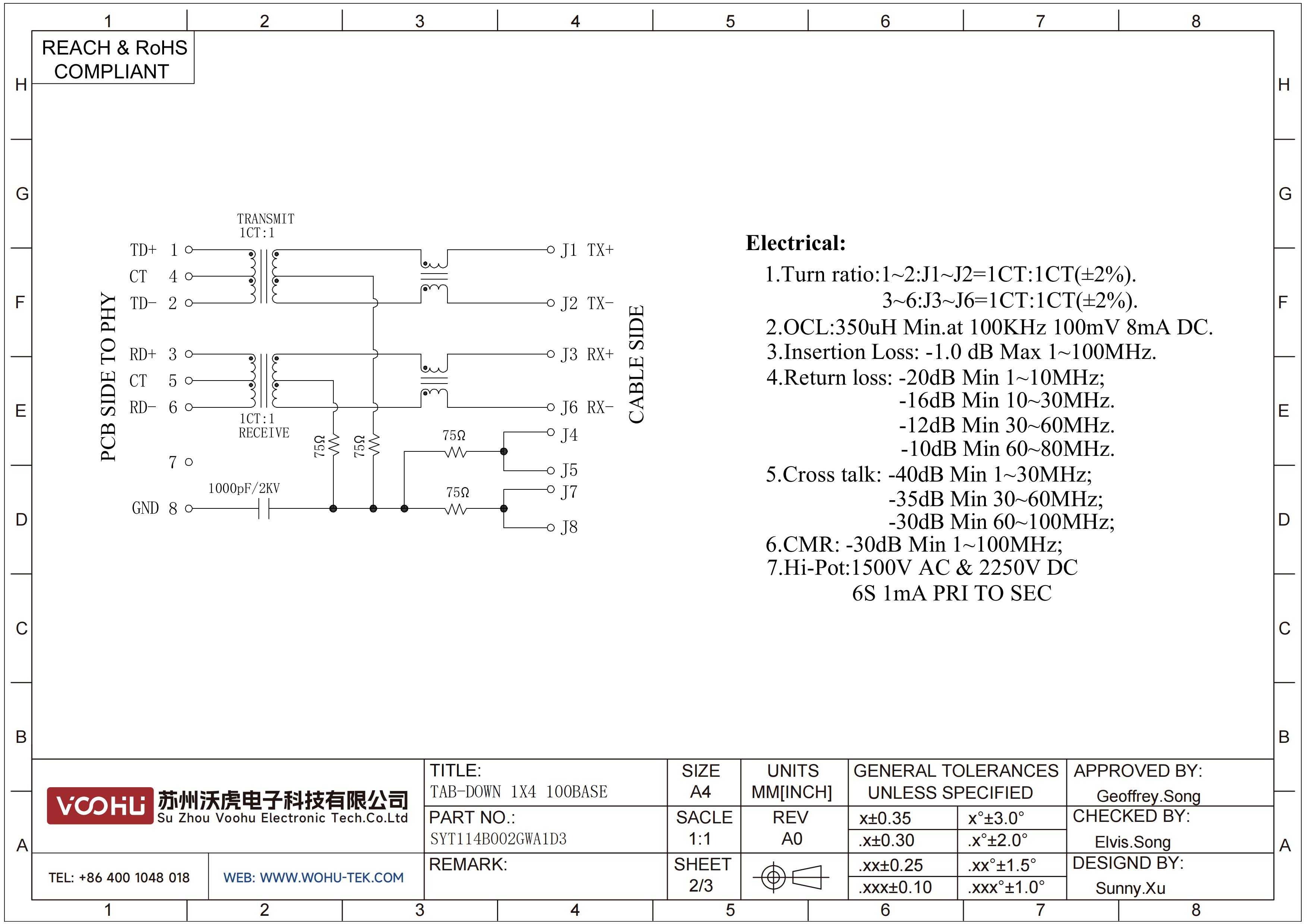
SYT114B002GWA1D3 90° side insertion 1*4 NO LED Tab Down 10/100M DIP RJ45
Homepage   /   Products

SYT114B002GWA1D3 90° side insertion 1*4 NO LED Tab Down 10/100M DIP RJ45

category: RJ45
SYT114B002GWA1D3  90° side insertion  1*4  NO LED Tab Down 10/100M  DIP RJ45
Left click: Rotate | Right click: Pan | Scroll: Zoom
Product Parameters
Category RJ45
Connectory Type 90° side insertion
Ports 1*4
Tab Down
Integrated Connector Modules YES
Data rate 10/100M
PoE NO POE
LED NO LED
Mount DIP
Shield Tabs YES
EMI / Gasket NO
Operating Temperature -40~+85°C
Solution
Ethernet
Ethernet
SPE
SPE
CAN
CAN
RS485
RS485
LVDS
LVDS
lsolated SPl
lsolated SPl
PoE
PoE
Push-Pull converter
Push-Pull converter
Technical Resources and Design Support
We also provide professional technical support and document download services, including: package library download, datasheet download, reference circuit design materials, 3D model download, etc.
For technical assistance, please click the button below to add customer service or visit the sample request page to fill out the form. We will serve you as soon as possible.
Technical Support Email: wohu03@wohu-tek.com    Phone: 400-1048-018
Quality Certifications
We strictly control product quality, including strict control of manufacturer qualifications, quality control processes and production process standards, and compliance with various certifications and safety standards. Currently, our products comply with industry standards and mainstream quality certifications, such as ISO 9001, ISO 14001, CE, RoHS, REACH, UL, etc.
For more details, please visit the Download Center to get documents or click the button below to add customer service. We will serve you as soon as possible.
ISO9001 ISO14001 RoHS REACH CE
Get a Quote or Samples
Whether you need sample testing, bulk purchasing or customized solutions, our sales team will respond quickly.
For small-volume orders, you can place orders directly on VOOHU Shop. We support VAT general/special invoices with a convenient and efficient process.
For technical assistance or sample requests, please click the button below to add customer service or visit the sample request page to fill out the form. We will serve you as soon as possible.
Customer Service Email: wohu09@wohu-tek.com    Phone: +86 180 2130 1120

Newsletter subscription

Subscribe to our newsletter and stay updated on the latest information of our company and product.

Name

|

Email

Subscribe

I agree that the information that I provide will be used in accordance with the terms of Voohu International Inc. Privacy & Cookies Policy