< img height="1" width="1" style="display:none" src="https://www.facebook.com/tr?id=778179321215791&ev=PageView&noscript=1" />
Products
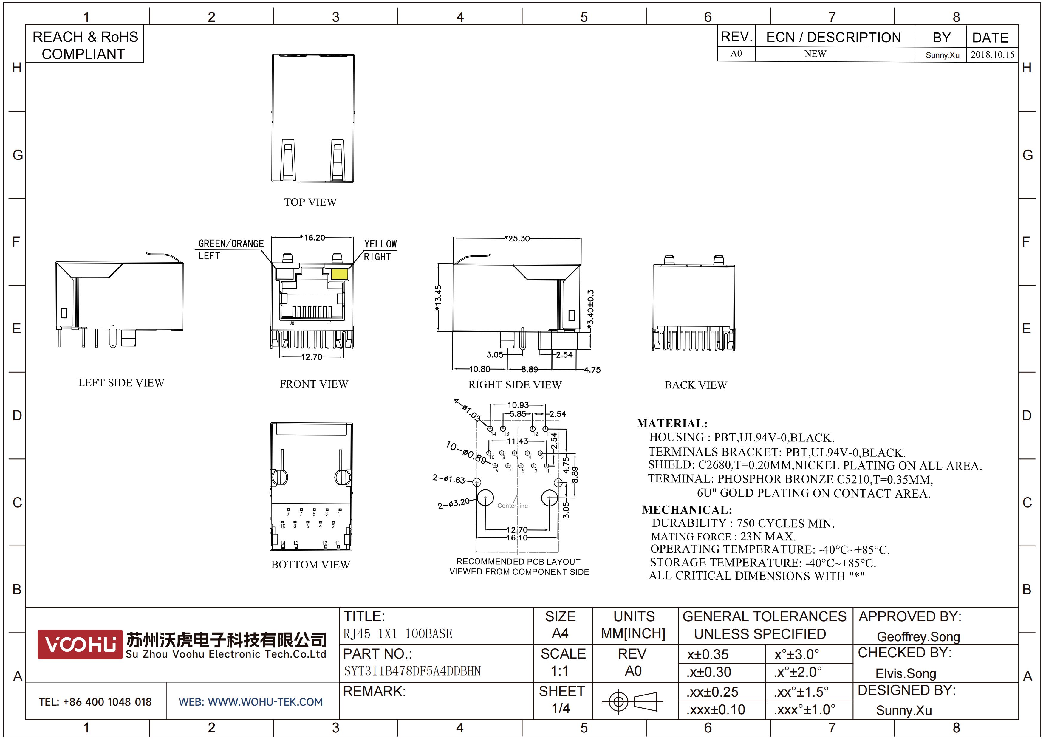
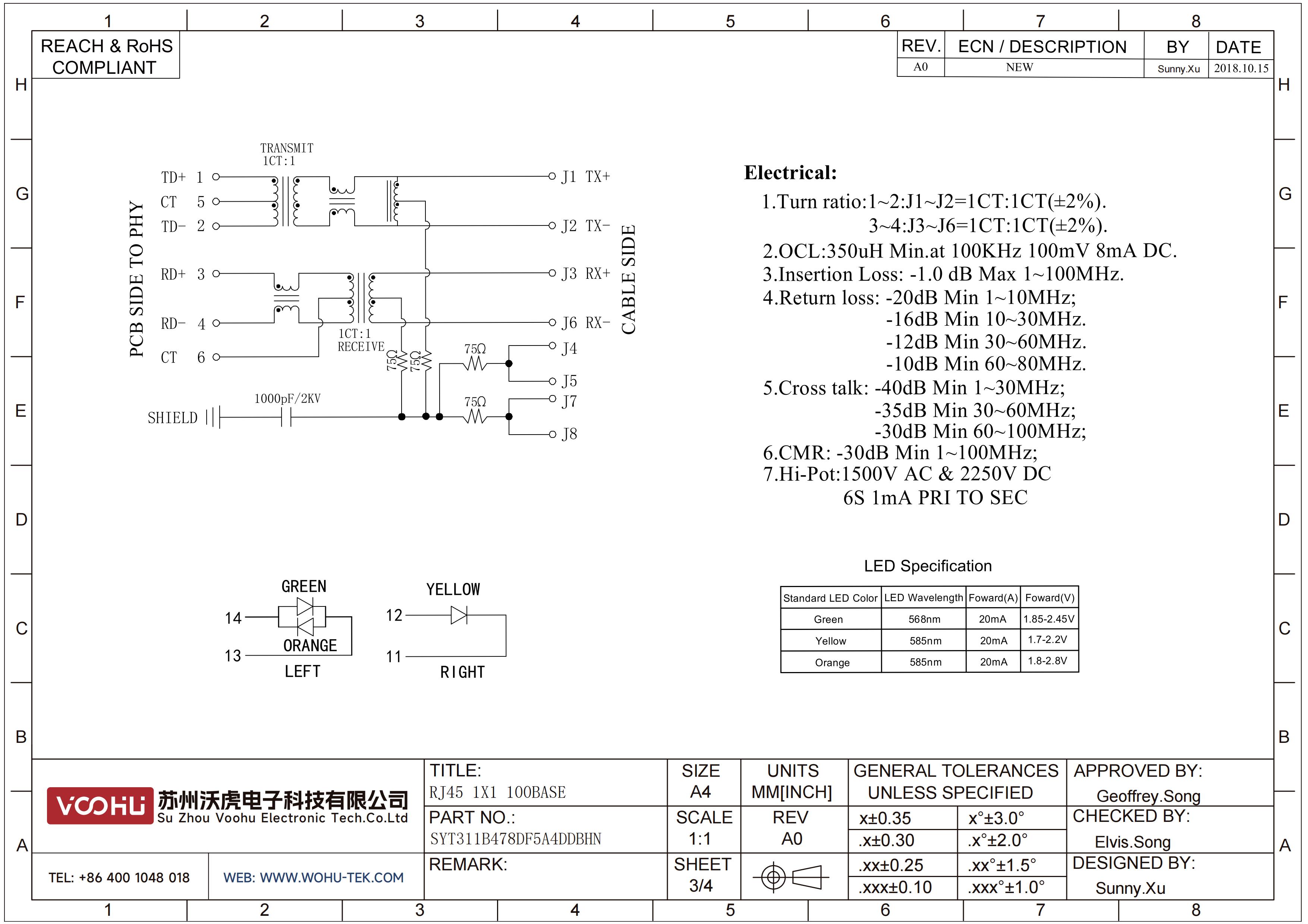
SYT311B478DF5A4DDBHN 90° side insertion 1*1 Tab UP 100BASE LED GO/Y DIP RJ45
Homepage   /   Products

SYT311B478DF5A4DDBHN 90° side insertion 1*1 Tab UP 100BASE LED GO/Y DIP RJ45

Product Detail

Related products

WHDG18101G Single Port DIP Gigabit Base-T PIN18 non-PoE  Lan Transformer
WHDG18101G Single Port DIP Gigabit Base-T PIN18 non-PoE Lan Transformer
WHTT4100 4PIN SMD Hi-Pot1250VAC Audio Transformer
WHTT4100 4PIN SMD Hi-Pot1250VAC Audio Transformer
SYT59211618GWA1D7Y1022 90° side insertion 1*6 Tab Down NO LED Shield Tabs DIP RJ45
SYT59211618GWA1D7Y1022 90° side insertion 1*6 Tab Down NO LED Shield Tabs DIP RJ45
SYT1211Q008FF1A10D057 90° side insertion 1*1 Tab Down 100/1000M LED GY/Y DIP RJ45 (Low Profile)
SYT1211Q008FF1A10D057 90° side insertion 1*1 Tab Down 100/1000M LED GY/Y DIP RJ45 (Low Profile)
WHKNZ01000FS Rated voltage 125V AC Industrial temperature -25℃~+85℃  Canon Ethernet plug
WHKNZ01000FS Rated voltage 125V AC Industrial temperature -25℃~+85℃ Canon Ethernet plug

Newsletter subscription

Subscribe to our newsletter and stay updated on the latest information of our company and product.

Name

|

Email

Subscribe

I agree that the information that I provide will be used in accordance with the terms of Voohu International Inc. Privacy & Cookies Policy