Gigabit Ethernet Low Residual Voltage, High Current Solution Reference
This solution is a Gigabit Ethernet standard solution from VOOHU Electronics Technology. The company has focused on the field of communication electronic components for over 8 years, adhering to the business strategy and service philosophy of "Choose VOOHU, truly reliable," and providing complete technical solution support.
I. Technical Background and Core Concepts
1.1 Low Residual Voltage, High Current
- Low Residual Voltage: Refers to the low residual voltage (typically <20V) remaining across the protective device after conduction, ensuring the protected chip is not damaged by high voltage.
- High Current: Refers to the protective device's ability to instantaneously handle high surge currents (typically >50A, 8/20μs waveform), rapidly dissipating energy.
- Core Contradiction: Traditional TVS diodes have low residual voltage but low current capacity, while high current results in high residual voltage; special design is needed to balance these two factors.
1.2 Why Ethernet Needs This Technology
Ethernet interfaces are exposed to the external environment and are susceptible to:
- Lightning-induced surges (outdoor equipment)
- Power supply crosstalk (industrial environment)
- Electrostatic discharge (ESD) (human contact)
- Power Line Connection (Construction Fault)
II. Detailed Technical Solution
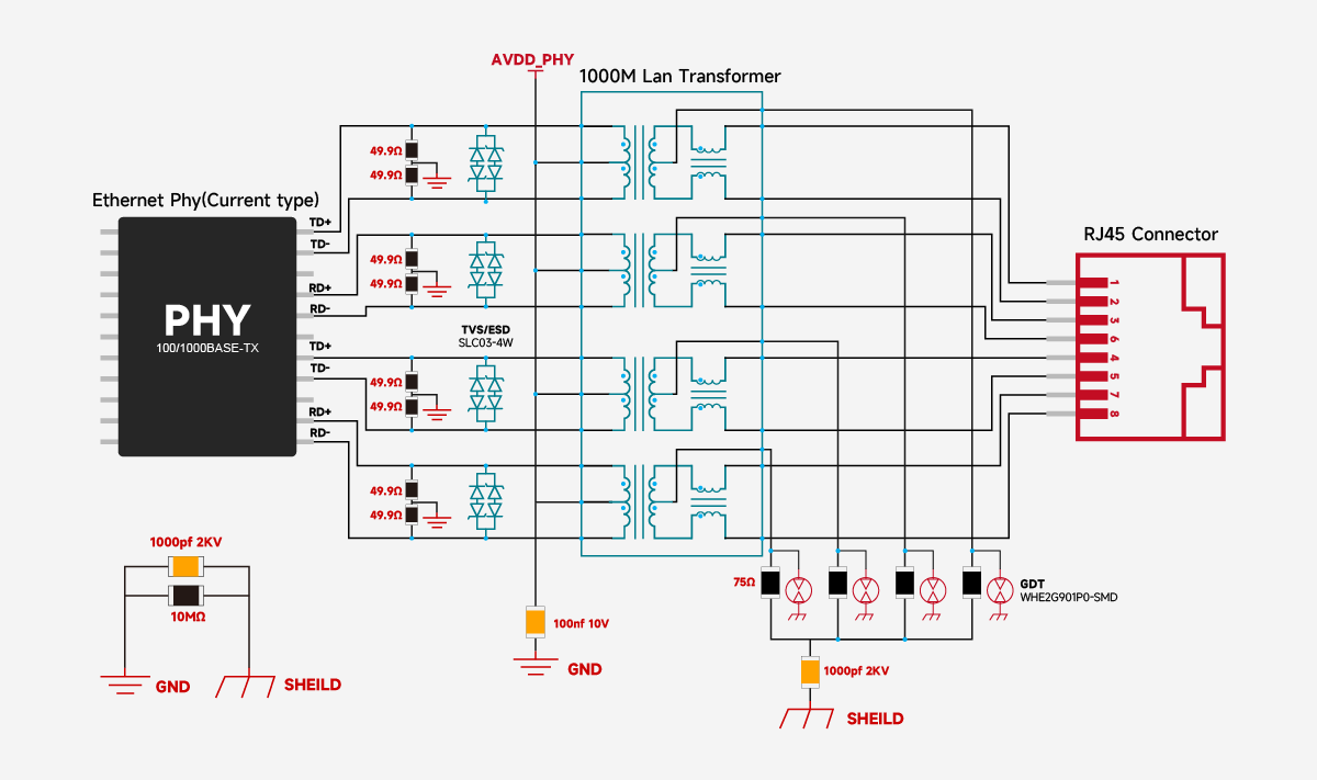
(Current-Type) Solution Advantages:
Electrostatic Discharge Protection Features: Gigabit Ethernet port electrostatic discharge protection, using multi-channel integrated devices, high ESD protection, small size, low capacitance, ensuring signal integrity, meeting the following standards: IEC61000-4-2 (ESD) ±30KV (air), ±30KV (contact), IEC61000-4-4 (EFT) 40A (5/50ns); IEC61000-4-5 (Lightning) 32A (8/20μs).
Lan Transformer Features: Small size, low height. Turns ratio 1:1; Open circuit inductance: 350 uH; Insertion loss: -1.1 dB Max, DC resistance 1.3Ω.
1. Primary Side Wiring:
• Differential Pair Connection: Connect the differential pairs TD0/TD1 and RD0/RD1 to the primary side of the lan transformer. The pin order of the four differential pairs can be interchanged during PCB routing.
• Decoupling Capacitor: The primary side should be connected to GND through a 100nF capacitor to ensure signal stability and integrity.
• VCC Power Supply: For current-mode PHYs, the primary coil needs to be connected to the PHY's VCC to filter high-frequency noise and ensure signal stability. It is recommended to connect two 49.9Ω resistors in parallel between each differential pair and connect them to GND.
2. Secondary Side Wiring:
• RJ45 Connection: The two sets of transmit and receive differential signals on the secondary side should be connected to pins 1, 2, 3, 6 and 4, 5, 7, 8 of the RJ45 interface, respectively.
• BOB Smith Circuit: Connect a 75Ω resistor to the secondary side, and then connect it to the chassis ground through a 1nF capacitor with a withstand voltage of 2KV or higher. 1206 packaged surface-mount ceramic capacitors or high-voltage ceramic capacitors with a wide lead pitch are recommended.
3. Grounding Treatment:
• Floating Pins: The floating pins of the RJ45 interface should also be connected to the chassis ground via a similar design, ultimately flowing into the earth to ensure the integrity of the entire circuit's grounding system. Circuit Function Description
• BOB Smith Circuit: A circuit consisting of a 75Ω resistor and a 1nF capacitor provides a return path for common-mode signals, effectively filtering out common-mode signals, improving electromagnetic interference (EMI), and suppressing inrush current to some extent.
• Decoupling Capacitor: A 100nF capacitor is used to filter out high-frequency noise, ensuring signal stability and integrity.
• Voltage Rating Capacitor: The 1nF capacitor must have a voltage rating of 2KV or higher to ensure reliability under high-voltage environments.
Advantages of the solution:
Electrostatic Discharge Protection Features: Gigabit Ethernet port electrostatic discharge protection, employing multi-channel integrated devices, high ESD protection, small size, low capacitance, ensuring signal integrity, meeting the following standards: IEC61000-4-2 (ESD) ±30KV (air), ±30KV (contact), IEC61000-4-4 (EFT) 40A (5/50ns); IEC61000-4-5 (Lightning) 32A (8/20μs).
Lan Transformer Features: Small size, low height. Turns ratio 1:1; Open circuit inductance: 350 uH; Insertion loss: -1.1 dB Max, DC resistance 1.3Ω.
1. Primary Side Wiring:
• Differential Pair Connection: The primary side of the lan transformer is connected to differential pairs TD0/TD1 and RD0/RD1 respectively. The wiring sequence of the four differential pairs can be interchanged during PCB routing.
• Decoupling Capacitor: A 100nF capacitor should be connected to GND on the primary side to ensure signal stability and integrity.
2. Secondary Side Wiring:
• RJ45 Connection: The two sets of transmit and receive differential signals on the secondary side should be connected to pins 1, 2, 3, 6 and 4, 5, 7, 8 of the RJ45 interface, respectively.
• BOB Smith Circuit: A 75Ω resistor should be connected to the secondary side, followed by a 1nF capacitor with a withstand voltage of 2KV or higher, connected to the chassis ground. 1206-package surface-mount ceramic capacitors or high-voltage ceramic capacitors with wide lead pitch are recommended.
3. Grounding Treatment:
• Floating Pins: The floating pins of the RJ45 interface should also be connected to the chassis ground using a similar design, ultimately flowing into the earth to ensure the integrity of the entire circuit's grounding system. Circuit Function Description
• BOB Smith Circuit: A circuit consisting of a 75Ω resistor and a 1nF capacitor provides a return path for common-mode signals, effectively filtering them, improving electromagnetic interference (EMI), and suppressing inrush current to some extent.
• Decoupling Capacitor: A 100nF capacitor is used to filter high-frequency noise, ensuring signal stability and integrity.
• Voltage Rating Capacitor: The 1nF capacitor must have a voltage rating of 2KV or higher to ensure reliability under high-voltage conditions.
VOOHU Recommended complementary products for the solution:


III. Typical Application Scenarios
Intelligent Transportation Systems (ITS)
Scenarios: Intersection cameras, electronic police systems
Industrial Internet of Things (IIoT)
Scenarios: Factory automation, robotics
New Energy Power Generation
Scenarios: Photovoltaic inverters, wind power transformers
Data Centers and 5G Base Stations
Scenarios: Edge computing nodes, AAU/RRU
IV. Design Verification and Testing Standards
4.1 Key Test Parameters
4.2 Residual Voltage Measurement Techniques
Use a differential probe with a bandwidth > 500MHz to avoid ground loops.
The measurement point must be at the PHY chip pin, not at the TVS terminals.
Use an 8/20μs current source to inject current and simulate a real surge waveform.
Note: The above solutions are standard designs for reference only. The final circuit design will be based on site requirements. Contact us for free in-depth support.
Tel: 400-1048-018; E-mail: wohu@wohu-tek.com;
Founded in 2018 and with its overseas expansion planned for 2025, VOOHU Electronics has become a reliable partner for over 1000 companies thanks to its "superior quality, reasonable prices, attentive service, and reliable delivery."
If you're also looking for a "worry-free, cost-effective, and convenient" supplier of communication electronic components, consider VOOHU. After all, the choice of over 100 listed companies is a sure bet.
Choose VOOHU – truly reliable. This isn't just a slogan; it's the answer written with the trust of over 1000 customers over 8 years.
Subscribe to our newsletter and stay updated on the latest information of our company and product.
Name
|
I agree that the information that I provide will be used in accordance with the terms of Voohu International Inc. Privacy & Cookies Policy